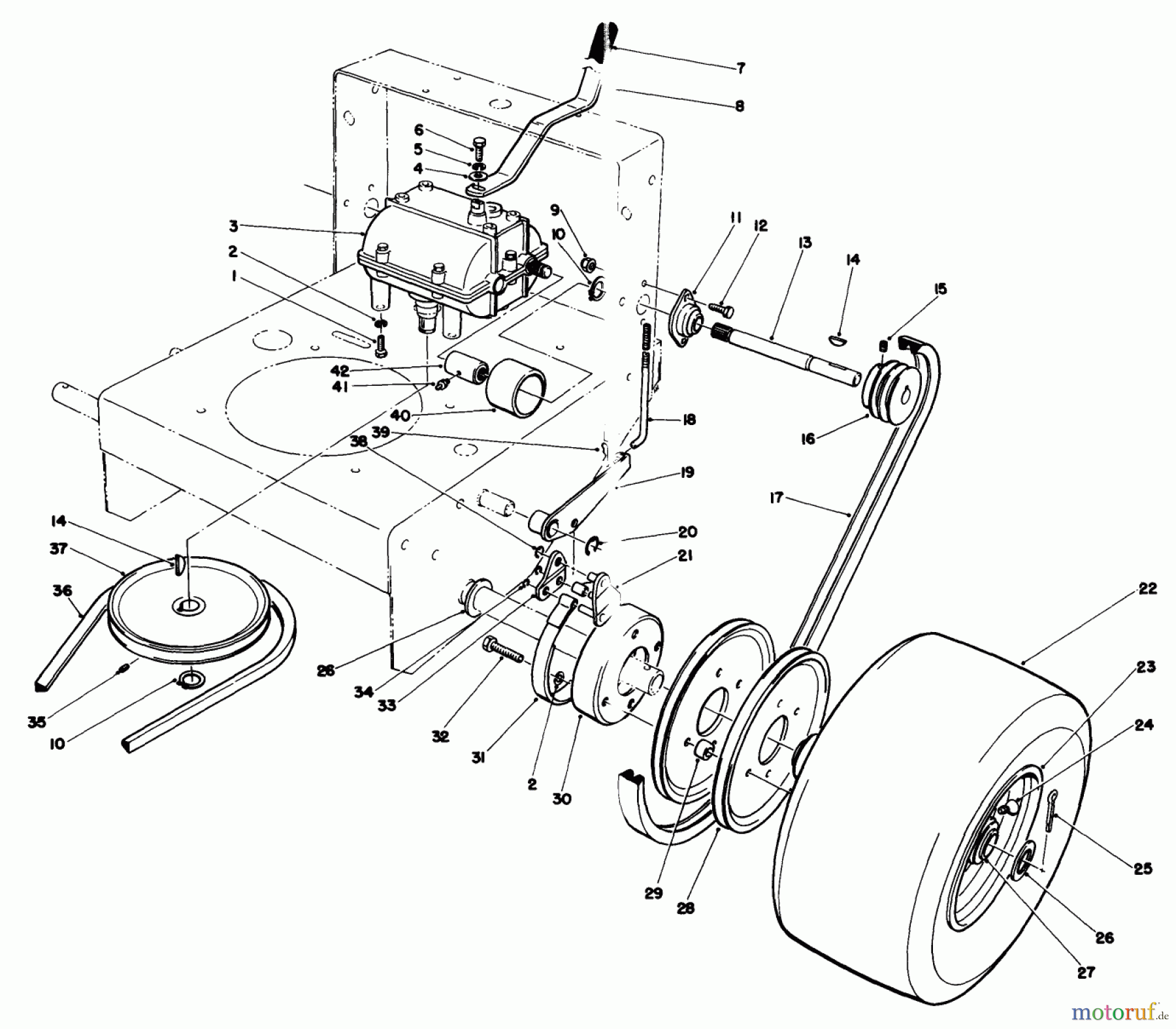
Toro 30125 - 36" Soft Bag (5 bu.) for Floating Mid-Size Mowers, 1985 (5000001-5999999) AXLE ASSEMBLY Ersatzteile
AXLE ASSEMBLY 30125 - Toro 36" Soft Bag (5 bu.) for Floating Mid-Size Mowers, 1985 (5000001-5999999)

Hier finden Sie die Ersatzteilzeichnung für Toro Neu Accessories, Mower 30125 - Toro 36" Soft Bag (5 bu.) for Floating Mid-Size Mowers, 1985 (5000001-5999999) AXLE ASSEMBLY. Wählen Sie das benötigte Ersatzteil aus der Ersatzteilliste Ihres Toro Gerätes aus und bestellen Sie einfach online. Viele Toro Ersatzteile halten wir ständig in unserem Lager für Sie bereit.


Qualitätsmanagement
Informieren Sie uns, wenn Sie einen Fehler gefunden haben.



