Bolens BL 135/96 T 13AH775F684 (2009) Motorzubehör Ersatzteile
Motorzubehör 13AH775F684 (2009)

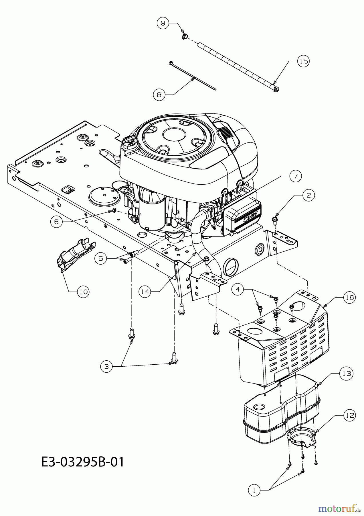
Hier finden Sie die Ersatzteilzeichnung für Bolens Rasentraktoren BL 135/96 T 13AH775F684 (2009) Motorzubehör. Wählen Sie das benötigte Ersatzteil aus der Ersatzteilliste Ihres Bolens Gerätes aus und bestellen Sie einfach online. Viele Bolens Ersatzteile halten wir ständig in unserem Lager für Sie bereit.


Qualitätsmanagement
Informieren Sie uns, wenn Sie einen Fehler gefunden haben.