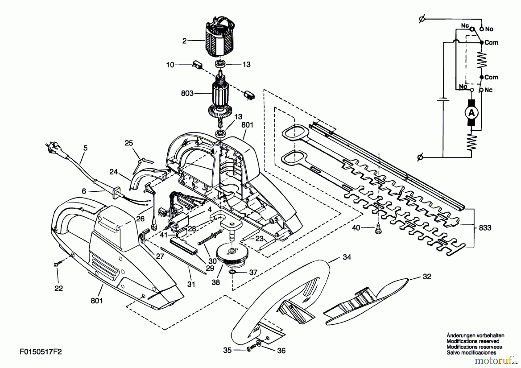
Bosch Hw-Heckenschere 517H2 Ersatzteile
517H2 Hw-Heckenschere
Artikel Nummer: F 015 051 7F2 (F0150517F2)

Hier finden Sie die Ersatzteilzeichnung für Bosch Gartengeräte Hw-Heckenschere 517H2 Seite 1. Wählen Sie das benötigte Ersatzteil aus der Ersatzteilliste Ihres Bosch Gerätes aus und bestellen Sie einfach online. Viele Bosch Ersatzteile halten wir ständig in unserem Lager für Sie bereit.