Einstellungen Computer

Gutbrod TURBO HBSE 02893.07 (1993) Ersatzteile

02893.07 (1993) TURBO HBSE

 Gutbrod Motormäher TURBO HBSE 02893.07  (1993) Grundgerät

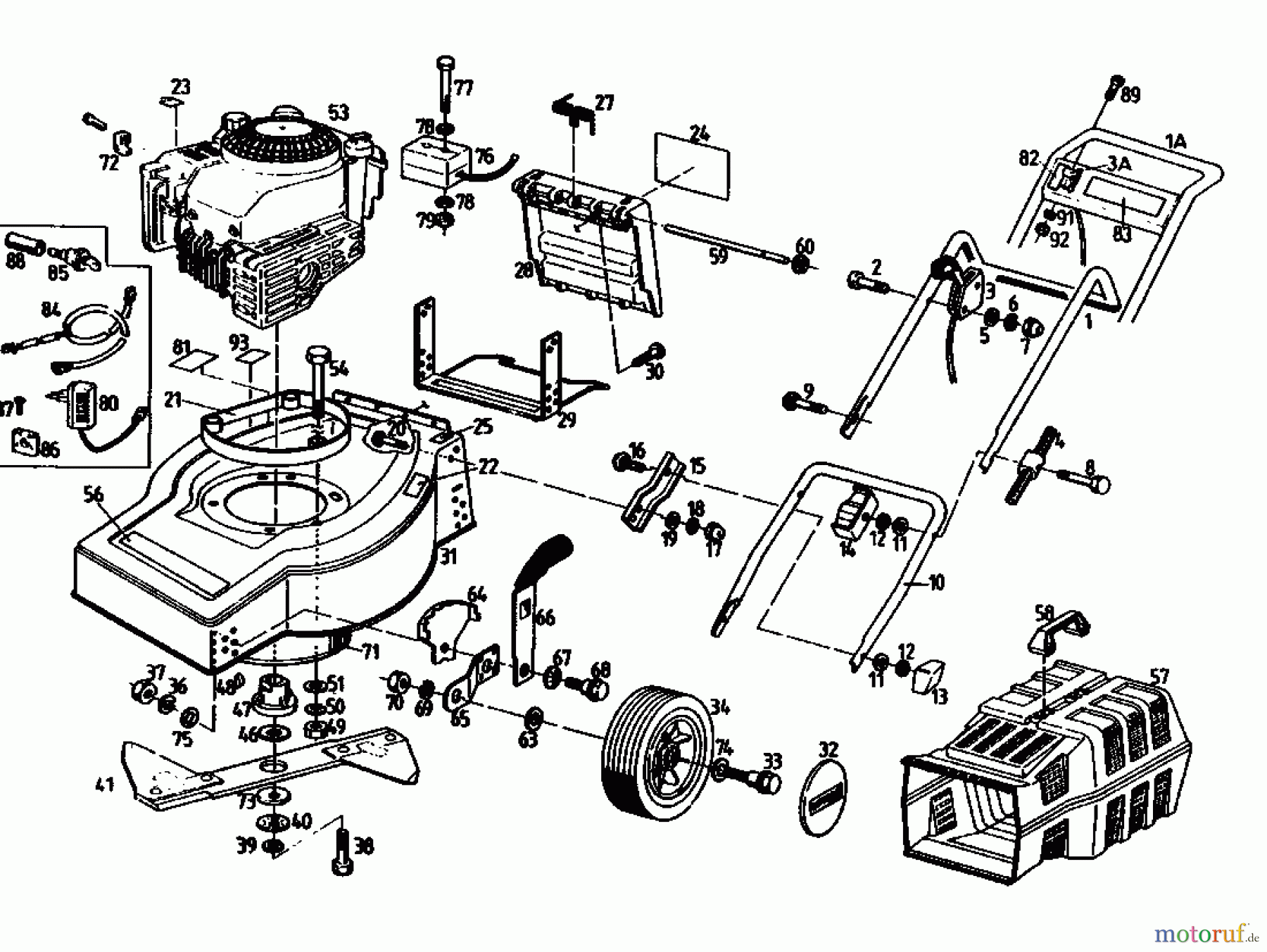
Hier finden Sie die Ersatzteilzeichnung für Gutbrod Motormäher TURBO HBSE 02893.07 (1993) Grundgerät. Wählen Sie das benötigte Ersatzteil aus der Ersatzteilliste Ihres Gutbrod Gerätes aus und bestellen Sie einfach online. Viele Gutbrod Ersatzteile halten wir ständig in unserem Lager für Sie bereit.

BildNrArtikel NummerBezeichnung
1 079.05.286OBERHOLM
1A 079.06.666OBERHOLM VOLLST.
2 23.5422.23LINSENSCHRAUBE M.KREUZDIN 7985
3 079.12.718GAS-FERNBEDIENUNG KPL.
3A 079.12.716GASFERNBEDIENUNG KPL.
4 079.05.515BIEGESCHUTZ SCHWARZ
4 079.05.304BIEGESCHUTZ:SCHWARZ RAL 9005
5 24.6481.14SCHEIBE A 6,4 DIN 125-St
6 24.8195.14FEDERRING DIN 127
7 24.3423.14HUTMUTTER:M6 5S DIN 1587
8 21.1443.79SECHSKANTSCHRAUBE DIN 931
9 22.3419.32FLACHRUNDSCHRAUBE DIN 603
10 079.05.324UNTERHOLM
11 24.6481.18SCHEIBE DIN 125
12 24.8191.18FAECHERSCHEIBE DIN 6798
13 000.02.377FLUEGELMUTTER:M8 SCHWARZ
14 000.02.462FLUEGELMUTTER SCHWARZ RAL 9005
15 079.05.230HOLMFUSS VERZINKT
16 22.3419.28FLACHRD-SCHR.M 4KT-ANSDIN 603
17 24.3421.18HUTMUTTER DIN 917
18 28.7111.05TELLERFEDER gelb verzDIN 2093
19 24.6481.18SCHEIBE DIN 125
20 22.3419.24FLACHRD-SCHR.M 4KT-ANSDIN 603
21 079.25.668ZWISCHENFLANSCH VOLLST.
22 000.50.322TYPENSCHILD
23 000.49.768HINWEISSCHILD 3-SPRACHIG
24 000.50.304HINWEISSCHILD "ACHTUNG"
25 000.49.637AUFKLEBER 96DB(A)
27 000.31.182FEDER VERZINKT
28 079.26.875HECKKLAPPE VOLLST.
29 079.25.703HECKBUEGEL VOLLST.
30 000.02.493TORX-SCHRAUBE M6x20 WN 1452
31 079.27.917RASENMAEHERDECK VOLLST.
32 079.30.014RADKAPPE GUTBROD
33 079.29.166RADBOLZEN:M8:53+1 LG 5.8
34 079.30.857RAD KPL. Ò 180mm
36 24.8195.18FEDERRING DIN 127
37 24.1421.18SECHSKANTMUTTER DIN 934
38 000.02.336MESSERSCHRAUBE3/8" UNF SCHWARZ
39 24.8190.22SICHERUNGSSCHEIBE DIN N
40 090.26.348FEDERSCHEIBE SCHWARZ
41 079.77.879MESSER VOLLST.
46 079.77.053REIBSCHEIBE
47 079.77.227MESSERNABE D=25MM
48 000.12.026SCHEIBENFEDER
49 24.1421.18SECHSKANTMUTTER DIN 934
50 24.8195.18FEDERRING DIN 127
51 24.6487.20SCHEIBE DIN 7349-ST
53 090.64.967B-MOTOR QUANTUM XM 35E
54 21.1443.83SECHSKANTSCHRAUBE DIN 931
56 000.50.002RELIEFSCHILD TURBO HBS
57 079.80.965GRASFANGKORB VOLLST.
58 079.80.111GRIFF ROT RAL 3000
59 079.26.027STANGE VERZINKT
60 28.3595.54SICHERUNGSSCHEIBE DIN 6799
63 24.6487.20SCHEIBE DIN 7349-ST
64 079.29.589VERSTELLPLATTE VERZINKT
65 079.29.295VERSTELLARM VERZINKT
66 079.29.735HÖHENVERSTELLHEBEL VOLLST.
67 28.7111.50TELLERFEDER verz. DIN 2093
68 079.29.178SCHRAUBE VERZINKT
69 24.8195.18FEDERRING DIN 127
70 24.1421.18SECHSKANTMUTTER DIN 934
71 Gutbrod WINDKANALRING079.25.260WINDKANALRING
72 079.11.346SCHELLE SCHWARZ
73 090.26.387SCHEIBE VERZINKT
74 24.6273.37PASS UND STUETZSCHEIBEDIN 988
75 24.6486.18SCHEIBE DIN 9021-St
76 090.93.811BATTERIE/MONOBLOCK 12V/ 2,5 AH
77 21.1443.42SECHSKANTSCHRAUBE DIN 931
78 24.6486.15SCHEIBE VERZINKT DIN 9021
79 24.1426.12SICHERUNGSMUTTER DIN 985-8
80 090.93.762STECKERLADEGERÄT TYP FW 4099
81 000.50.330HINWEISSCHILD "BATTERIE"
82 000.50.323HINWEISSCHILD START-STOP
83 000.50.101RELIEFSCHILD GUTBROD
84 090.93.764KABELBAUM
85 090.93.763SCHLÜSSELSCHALTER 2-POLIG
86 000.81.348SOM-SCHELLE
87 23.5417.75FLACHKOPFSCHRB.MIT SCHDIN 920
88 000.37.484SCHRUMPFSCHLAUCH
89 23.5422.11LINSEN-SCHR.M.KREUZSCHLITZ
91 24.8195.14FEDERRING DIN 127
92 24.1421.14SECHSKANTMUTTER DIN 934
93 000.49.377LGA-ZEICHEN
Rasen
Bankeinzug, MasterCard, Visa, American Express, PayPal, Nachnahme, Vorauskasse, Sofortüberweisung
Datenschutzerklärung Impressum
Qualitätsmanagement
Informieren Sie uns, wenn Sie einen Fehler gefunden haben.