MTD Optima ME 66 31AY5FT3678 (2019) Fahrantrieb, Fräsantrieb Ersatzteile
Fahrantrieb, Fräsantrieb 31AY5FT3678 (2019)

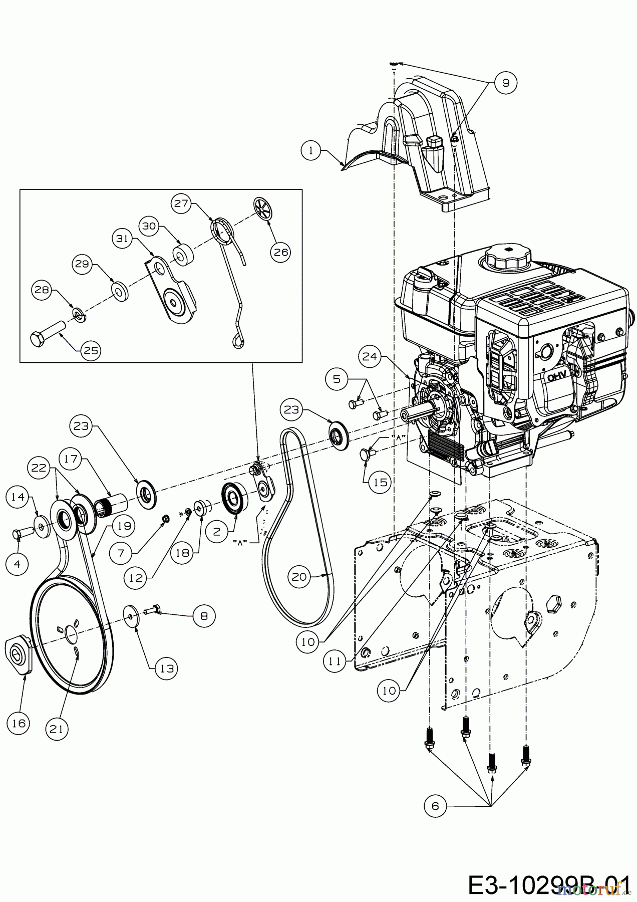
Hier finden Sie die Ersatzteilzeichnung für MTD Schneefräsen Optima ME 66 31AY5FT3678 (2019) Fahrantrieb, Fräsantrieb. Wählen Sie das benötigte Ersatzteil aus der Ersatzteilliste Ihres MTD Gerätes aus und bestellen Sie einfach online. Viele MTD Ersatzteile halten wir ständig in unserem Lager für Sie bereit.


Qualitätsmanagement
Informieren Sie uns, wenn Sie einen Fehler gefunden haben.










