Einkaufswagen
Mein Konto

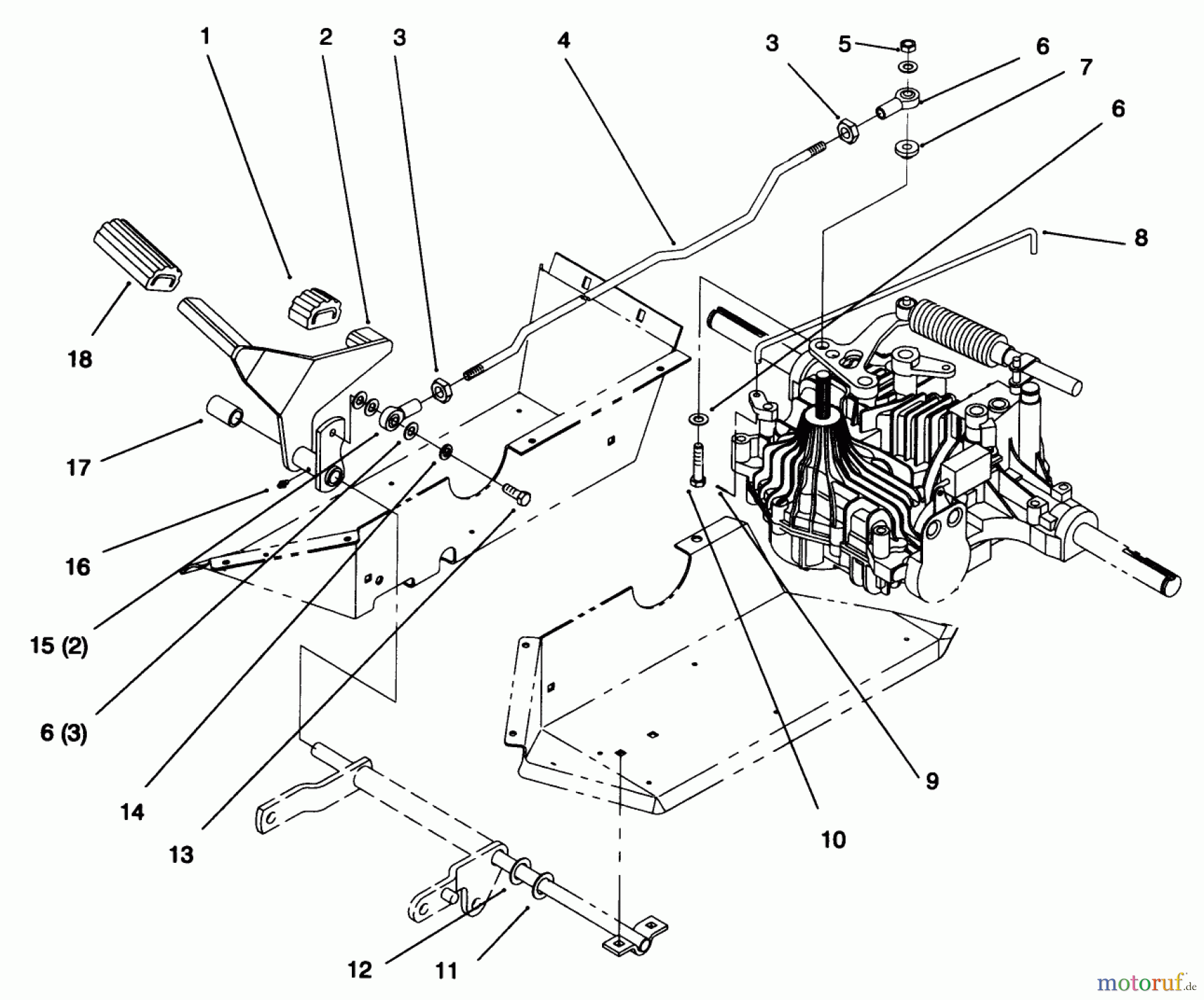
Toro 72064 (265-H) - 265-H Lawn and Garden Tractor, 1996 (6900001-6999999) HYDRO CONTROL Ersatzteile

HYDRO CONTROL 72064 (265-H) - Toro 265-H Lawn and Garden Tractor, 1996 (6900001-6999999)

 Toro Neu Mowers, Lawn & Garden Tractor Seite 1 72064 (265-H) - Toro 265-H Lawn and Garden Tractor, 1996 (6900001-6999999) HYDRO CONTROL

Hier finden Sie die Ersatzteilzeichnung für Toro Neu Mowers, Lawn & Garden Tractor Seite 1 72064 (265-H) - Toro 265-H Lawn and Garden Tractor, 1996 (6900001-6999999) HYDRO CONTROL. Wählen Sie das benötigte Ersatzteil aus der Ersatzteilliste Ihres Toro Gerätes aus und bestellen Sie einfach online. Viele Toro Ersatzteile halten wir ständig in unserem Lager für Sie bereit.

Rasen
Bankeinzug, MasterCard, Visa, American Express, PayPal, Nachnahme, Vorauskasse, Sofortüberweisung
Qualitätsmanagement
Informieren Sie uns, wenn Sie einen Fehler gefunden haben.