Toro 23300 - Lawnmower, 1965 (5000001-5999999) 25" AND 34" GEAR BOX Ersatzteile
25" AND 34" GEAR BOX 23300 - Toro Lawnmower, 1965 (5000001-5999999)

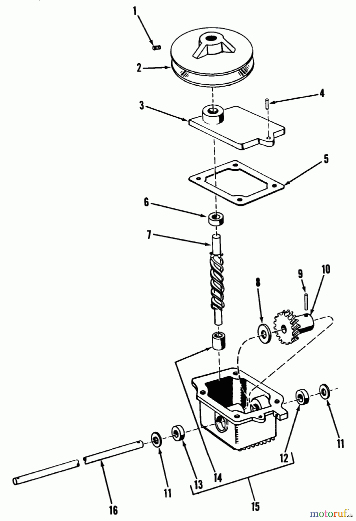
Hier finden Sie die Ersatzteilzeichnung für Toro Neu Mowers, Wide-Area Walk-Behind 23300 - Toro Lawnmower, 1965 (5000001-5999999) 25" AND 34" GEAR BOX. Wählen Sie das benötigte Ersatzteil aus der Ersatzteilliste Ihres Toro Gerätes aus und bestellen Sie einfach online. Viele Toro Ersatzteile halten wir ständig in unserem Lager für Sie bereit.
BildNr | Artikel Nummer | Bezeichnung | |
1 | TR3246-3 | Schraube | |
2 | TR5-3681 | KEILRIEMENSCHEIBE | |
3 | TR3-6438 | DISCONTINUED | |
4 | TR32121-1 | Stift | |
5 | TR3-0734 | Dichtung | |
6 | TR251-144 | LAGER | |
7 | TR5-3680 | Schnecke | |
8 | TR3-0724 | Scheibe | |
9 | TR32121-108 | Stift | |
10 | TR3-6436 | Schneckenrad | |
11 | TR47-7260 | Simmerring | |
12 | TR47-2890 | Buechse | |
13 | TR47-2900 | BUSHING | |
14 | TR252-51 | Lager | |
15 | TR5-8339 | Getriebegehaeuse | |
16 | TR3-8105 | ||
TR3-8172 |


Qualitätsmanagement
Informieren Sie uns, wenn Sie einen Fehler gefunden haben.