Toro 72063 (264-H) - 264-H Yard Tractor, 1995 (5900499-5999999) MOTOR SHAFT Ersatzteile
MOTOR SHAFT 72063 (264-H) - Toro 264-H Yard Tractor, 1995 (5900499-5999999)

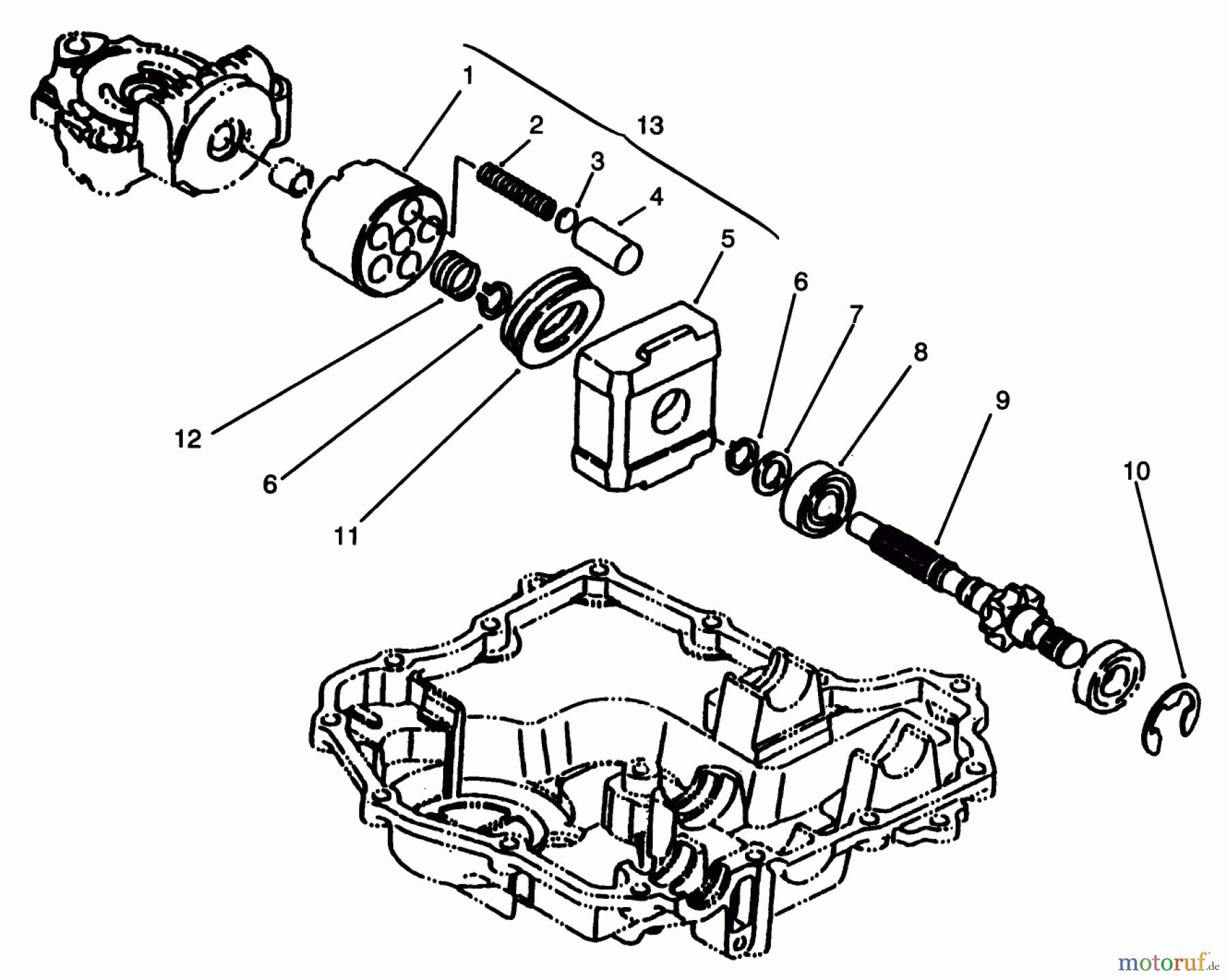
Hier finden Sie die Ersatzteilzeichnung für Toro Neu Mowers, Lawn & Garden Tractor Seite 1 72063 (264-H) - Toro 264-H Yard Tractor, 1995 (5900499-5999999) MOTOR SHAFT. Wählen Sie das benötigte Ersatzteil aus der Ersatzteilliste Ihres Toro Gerätes aus und bestellen Sie einfach online. Viele Toro Ersatzteile halten wir ständig in unserem Lager für Sie bereit.


Qualitätsmanagement
Informieren Sie uns, wenn Sie einen Fehler gefunden haben.

