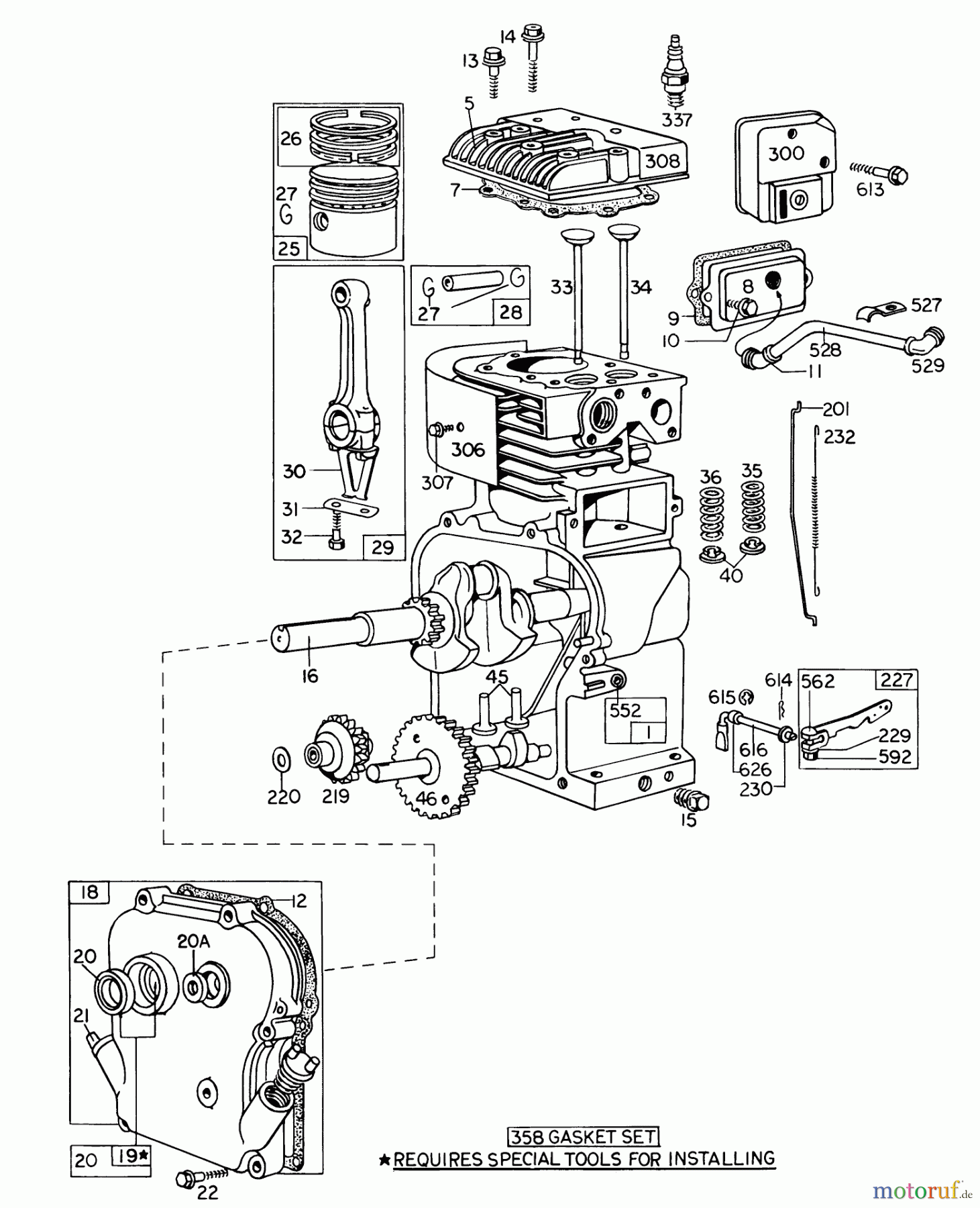
Toro 58125 - 26" Tiller, 1974 (4000001-4999999) ENGINE MODEL NO. 100292 TYPE 0245-07 BRIGGS & STRATTON Ersatzteile
VERWEIS ZU
Artikel Nummer:
BS260478
BildNr:
232
13.31 €
für EU incl. MwSt., zzgl. Versand
Der Artikel wurde in den Einkaufswagen gelegt!
sofort Lieferbar
Hier finden Sie die Ersatzteilzeichnung für Toro Neu Tillers/Cultivators 58125 - Toro 26" Tiller, 1974 (4000001-4999999) ENGINE MODEL NO. 100292 TYPE 0245-07 BRIGGS & STRATTON. Wählen Sie das benötigte Ersatzteil aus der Ersatzteilliste Ihres Toro Gerätes aus und bestellen Sie einfach online. Viele Toro Ersatzteile halten wir ständig in unserem Lager für Sie bereit.


Qualitätsmanagement
Informieren Sie uns, wenn Sie einen Fehler gefunden haben.

