Toro 73501 (520-H) - 520-H Garden Tractor, 1995 (59000412-59002868) CAMSHAFT & CRANKSHAFT Ersatzteile
RING
Artikel Nummer:
TR57-9710
BildNr:
14
11.34 € 
für EU incl. MwSt., zzgl. Versand
Der Artikel wurde in den Einkaufswagen gelegt!
 Wird für Sie bestellt: Lieferzeit ca. 5 Werktage.
 Wird für Sie bestellt: Lieferzeit ca. 5 Werktage.
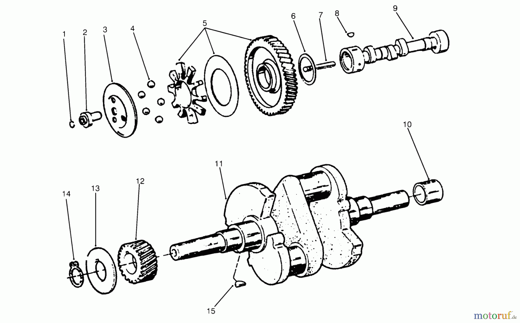
Hier finden Sie die Ersatzteilzeichnung für Toro Neu Mowers, Lawn & Garden Tractor Seite 1 73501 (520-H) - Toro 520-H Garden Tractor, 1995 (59000412-59002868) CAMSHAFT & CRANKSHAFT. Wählen Sie das benötigte Ersatzteil aus der Ersatzteilliste Ihres Toro Gerätes aus und bestellen Sie einfach online. Viele Toro Ersatzteile halten wir ständig in unserem Lager für Sie bereit.
| BildNr | Artikel Nummer | Bezeichnung | |
| 1 | TR57-9090 | RING | |
| 2 | TR57-9130 | HUB-GOVERNOR CUP | |
| 3 | TR59-0450 | Deckel | |
| 4 | TR57-9640 | BEARING | |
| 5 | TR57-8210 | Zahnrad Fuer Nockenwelle | |
| 6 | TR57-8230 | WASHER-THRUST | |
| 7 | TR59-0400 | ZENTRIERBOLZEN | |
| 8 | TR57-9660 | KEIL | |
| 9 | TR71-6320 | CAMSHAFT | |
| 10 | TR92-0911 | DISCONTINUED | |
| 11 | TR | ||
| 12 | TR57-8130 | Zahnrad | |
| 13 | TR57-8140 | SCHEIBE | |
| 14 | TR57-9710 | RING | |
| 15 | TR57-9660 | KEIL | |


Qualitätsmanagement
 Informieren Sie uns, wenn Sie einen Fehler gefunden haben.


