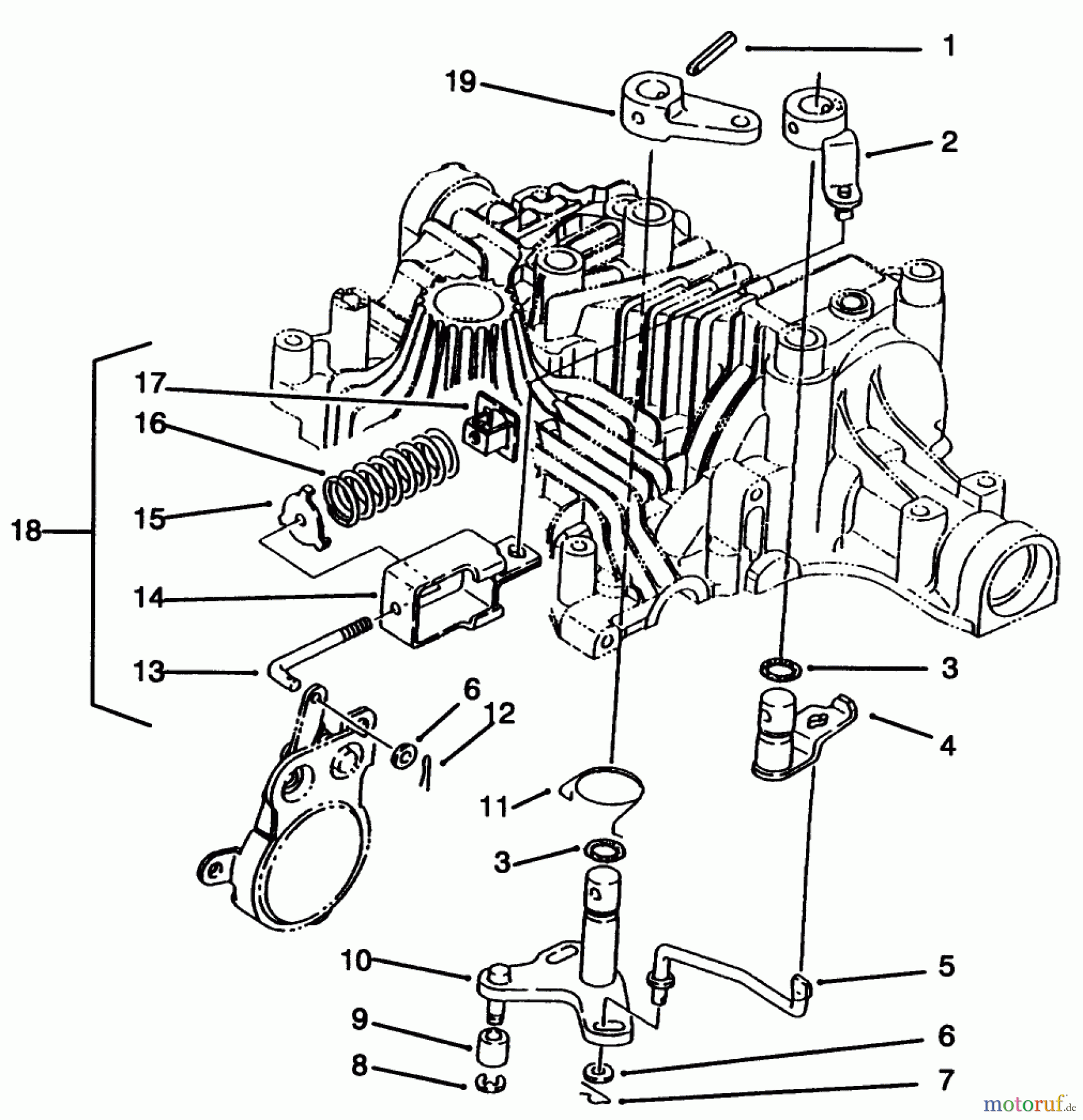
Toro 72064 (265-H) - 265-H Lawn and Garden Tractor, 1996 (6900001-6999999) BRAKE INTERLOCK Ersatzteile
Bremsfeder
Artikel Nummer:
TR93-0422
BildNr:
11
74.46 €
für EU incl. MwSt., zzgl. Versand
Der Artikel wurde in den Einkaufswagen gelegt!
Wird für Sie bestellt: Lieferzeit ca. 5 Werktage.
Hier finden Sie die Ersatzteilzeichnung für Toro Neu Mowers, Lawn & Garden Tractor Seite 1 72064 (265-H) - Toro 265-H Lawn and Garden Tractor, 1996 (6900001-6999999) BRAKE INTERLOCK. Wählen Sie das benötigte Ersatzteil aus der Ersatzteilliste Ihres Toro Gerätes aus und bestellen Sie einfach online. Viele Toro Ersatzteile halten wir ständig in unserem Lager für Sie bereit.


Qualitätsmanagement
Informieren Sie uns, wenn Sie einen Fehler gefunden haben.

