Toro 57356 (11-42) - 11-42 Lawn Tractor, 1983 (3000001-3999999) ENGINE BRIGGS & STRATTON MODEL 252707-0637-01 Ersatzteile
VERWEIS ZU
Artikel Nummer:
BS391781
18.20 € 
für EU incl. MwSt., zzgl. Versand
Der Artikel wurde in den Einkaufswagen gelegt!
 Wird für Sie bestellt: Lieferzeit ca. 5 Werktage.
 Wird für Sie bestellt: Lieferzeit ca. 5 Werktage.
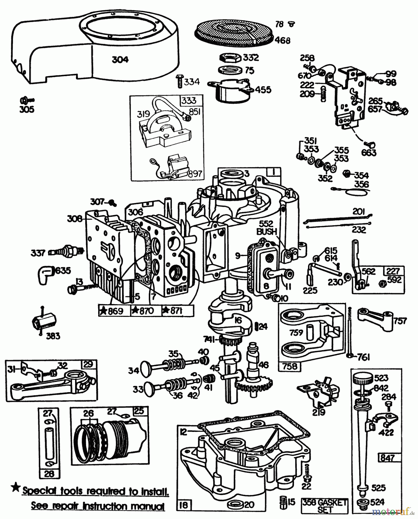
Hier finden Sie die Ersatzteilzeichnung für Toro Neu Mowers, Lawn & Garden Tractor Seite 1 57356 (11-42) - Toro 11-42 Lawn Tractor, 1983 (3000001-3999999) ENGINE BRIGGS & STRATTON MODEL 252707-0637-01. Wählen Sie das benötigte Ersatzteil aus der Ersatzteilliste Ihres Toro Gerätes aus und bestellen Sie einfach online. Viele Toro Ersatzteile halten wir ständig in unserem Lager für Sie bereit.


Qualitätsmanagement
 Informieren Sie uns, wenn Sie einen Fehler gefunden haben.






