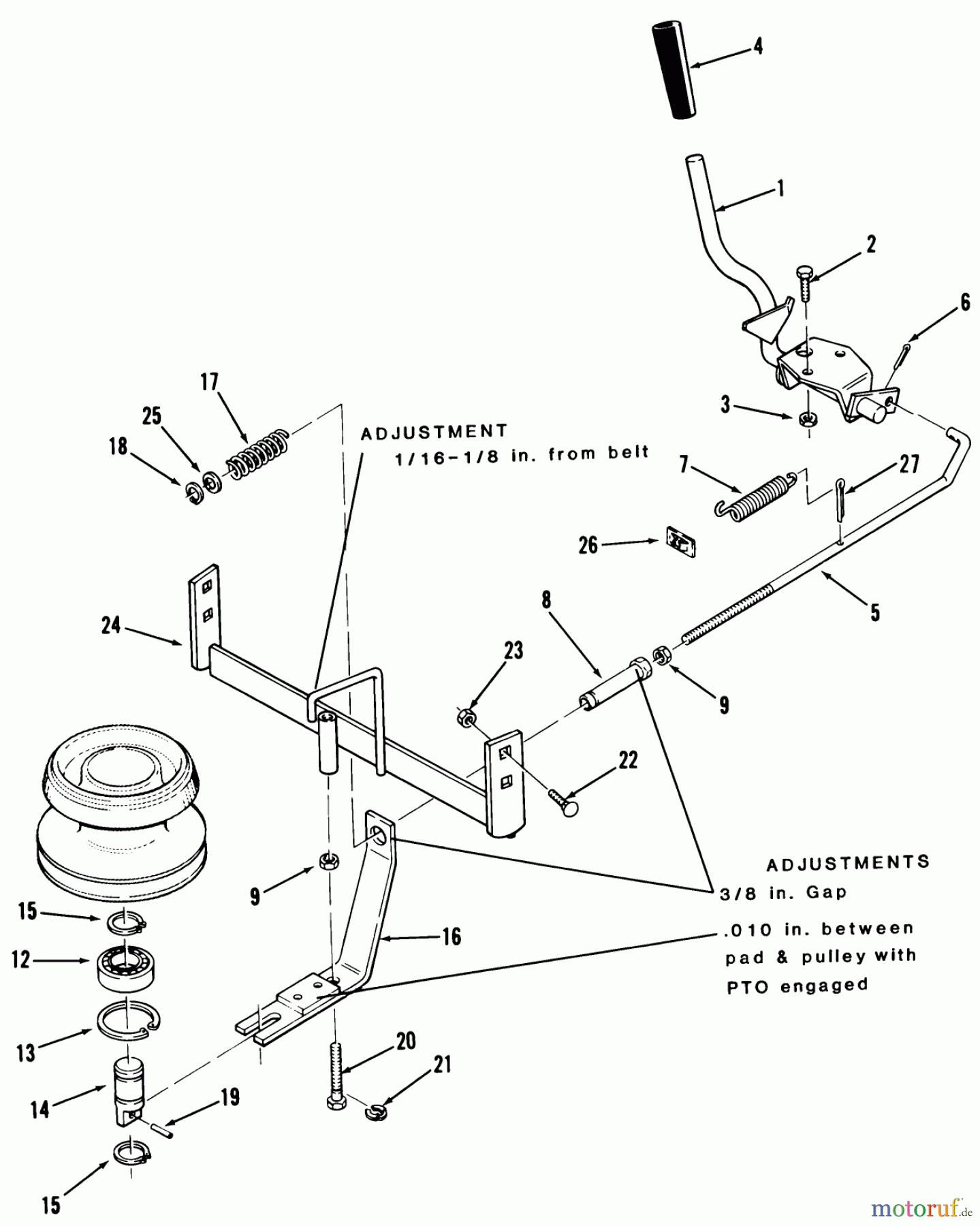
Toro 12-11BP02 (B-115) - B-115 5-Speed Tractor, 1984 PTO CLUTCH Ersatzteile
OPERATOR MANUAL
Artikel Nummer:
TR92-0259
BildNr:
25
2.39 € 
für EU incl. MwSt., zzgl. Versand
Der Artikel wurde in den Einkaufswagen gelegt!
 Wird für Sie bestellt: Lieferzeit ca. 5 Werktage.
 Wird für Sie bestellt: Lieferzeit ca. 5 Werktage.
Hier finden Sie die Ersatzteilzeichnung für Toro Neu Mowers, Lawn & Garden Tractor Seite 1 12-11BP02 (B-115) - Toro B-115 5-Speed Tractor, 1984 PTO CLUTCH. Wählen Sie das benötigte Ersatzteil aus der Ersatzteilliste Ihres Toro Gerätes aus und bestellen Sie einfach online. Viele Toro Ersatzteile halten wir ständig in unserem Lager für Sie bereit.




