Snapper 1600A (80124) - 16 HP Garden Tractor, Gear Drive, MF Series Fuel Tank & Lines Ersatzteile
Artikel Nummer:
BS7018249
BildNr:
12
Nicht mehr lieferbar.

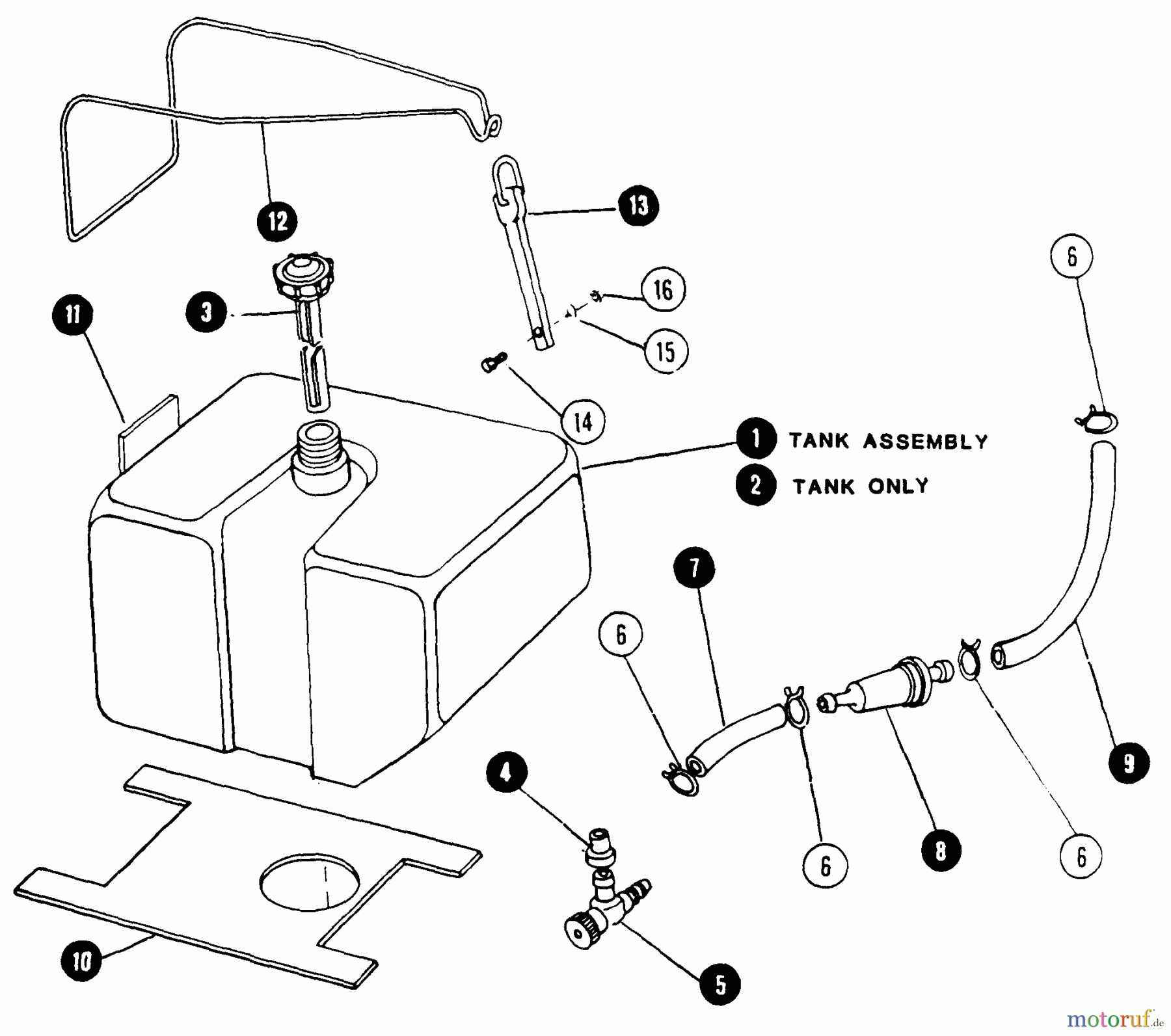
Hier finden Sie die Ersatzteilzeichnung für Snapper Rasen- und Gartentraktoren 1600A (80124) - Snapper 16 HP Garden Tractor, Gear Drive, MF Series Fuel Tank & Lines. Wählen Sie das benötigte Ersatzteil aus der Ersatzteilliste Ihres Snapper Gerätes aus und bestellen Sie einfach online. Viele Snapper Ersatzteile halten wir ständig in unserem Lager für Sie bereit.
| BildNr | Artikel Nummer | Bezeichnung | |
| 1 | BS57270 | ||
| 2 | BS19821 | ||
| 3 | BS7019533 | ||
| 4 | BS1654930SM | VENTILDECKEL | |
| 5 | BS7018248 | ||
| 6 | BS7029900SM | KLEMME 490 X .31 | |
| 7 | BS7012638YP | HOSE, FUEL, B&S | |
| 8 | BS18247 | ||
| 9 | BS7032016YP | HOSE, FUEL | |
| 10 | BS18250 | ||
| 11 | BS12665 | ||
| 12 | BS7018249 | ||
| 13 | BS7018251YP | RETAINER ASSY, FUEL T | |
| 14 | BS7090596YP | HFLB, 1/4C X5/8 GR5 Z | |
| 15 | BS7012673 | ||
| 16 | BS703954 | ||


Qualitätsmanagement
Informieren Sie uns, wenn Sie einen Fehler gefunden haben.

