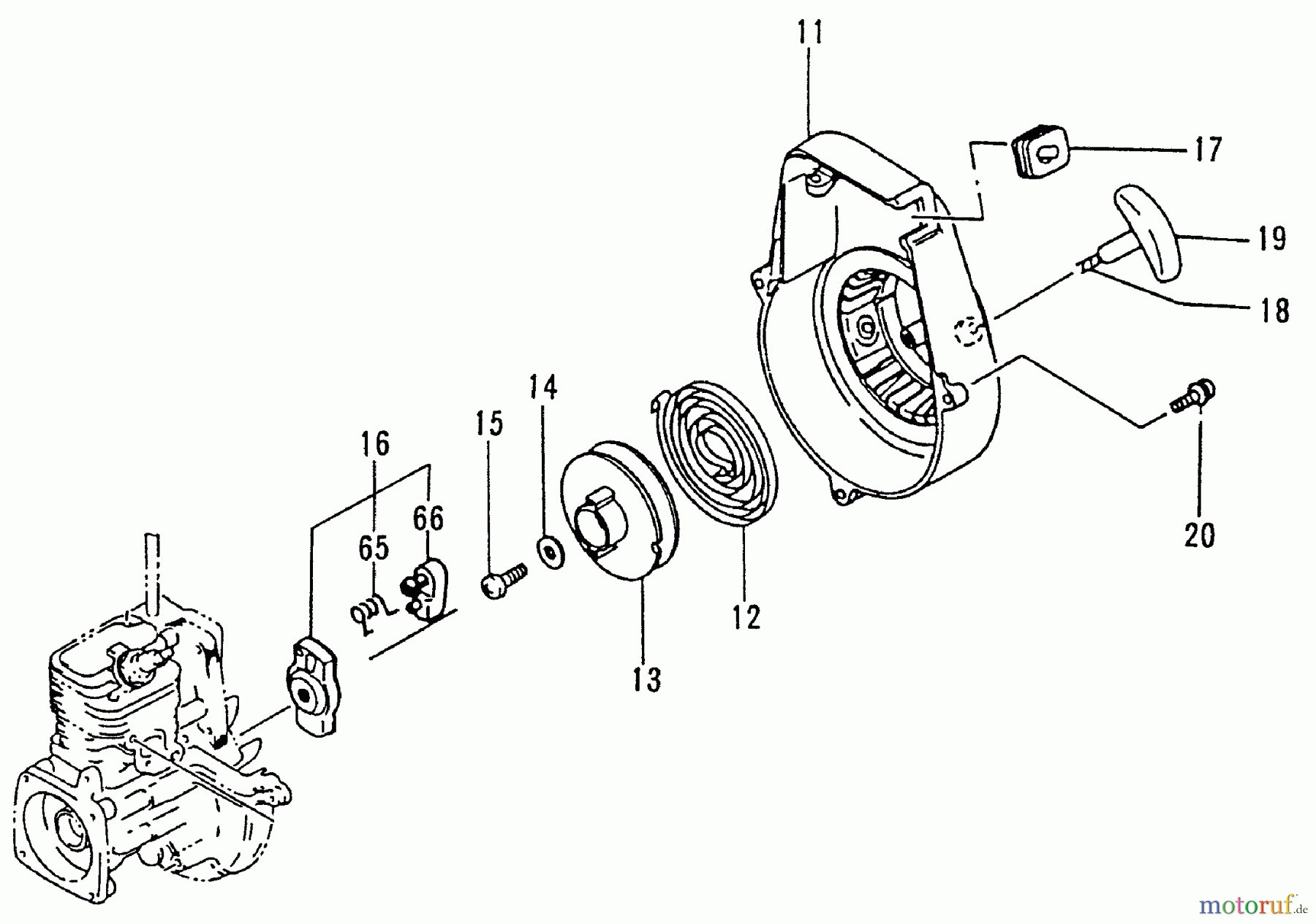
Tanaka TCP-210 - Centrifugal Pump Starter Ersatzteile
Startermitnehmer kpl. 798-
Artikel Nummer:
669-3405
BildNr:
16
7.70 €
für EU incl. MwSt., zzgl. Versand
Der Artikel wurde in den Einkaufswagen gelegt!


Hier finden Sie die Ersatzteilzeichnung für Tanaka Wasser Pumpen TCP-210 - Tanaka Centrifugal Pump Starter. Wählen Sie das benötigte Ersatzteil aus der Ersatzteilliste Ihres Tanaka Gerätes aus und bestellen Sie einfach online. Viele Tanaka Ersatzteile halten wir ständig in unserem Lager für Sie bereit.
Häufig benötigte Tanaka TCP-210 - Centrifugal Pump Starter Ersatzteile

Artikelnummer: 669-3405
Suche nach: 669-3405
Hersteller: Tanaka
Tanaka Ersatzteil Starter
Suche nach: 669-3405
Hersteller: Tanaka
Tanaka Ersatzteil Starter
7.70 €
für EU incl. MwSt., zzgl. Versand


Qualitätsmanagement
Informieren Sie uns, wenn Sie einen Fehler gefunden haben.