Tanaka TCP-210 - Centrifugal Pump Fuel System Ersatzteile
Luftfilterelement .THT2530/
Artikel Nummer:
669-0363
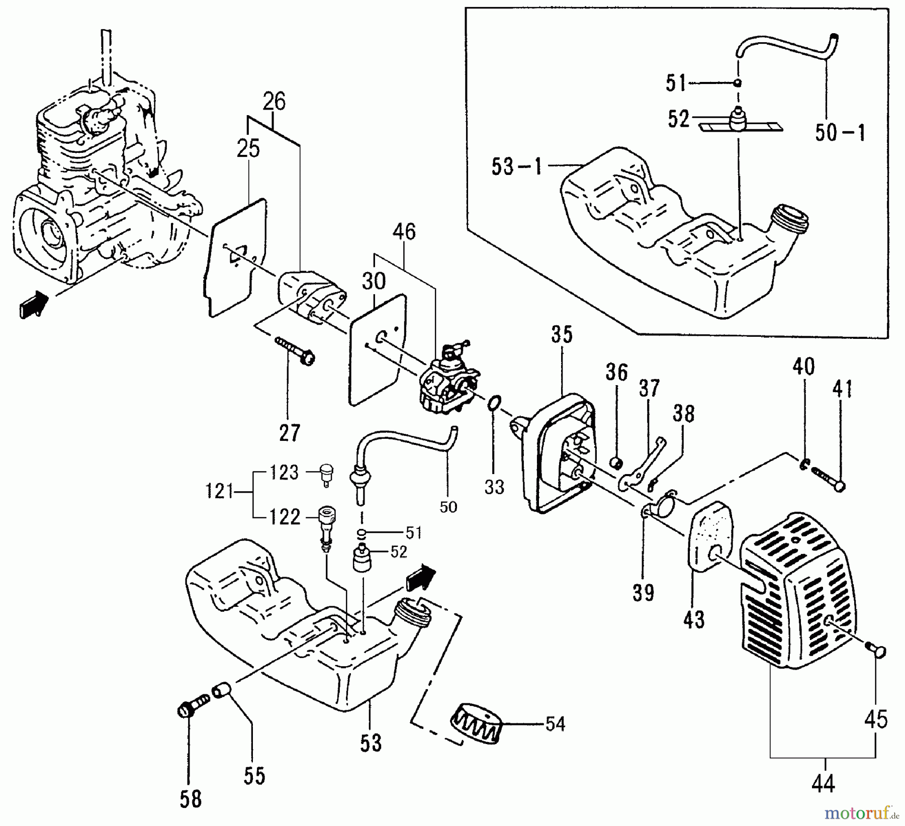
BildNr:
43
2.29 €
für EU incl. MwSt., zzgl. Versand
Der Artikel wurde in den Einkaufswagen gelegt!


Hier finden Sie die Ersatzteilzeichnung für Tanaka Wasser Pumpen TCP-210 - Tanaka Centrifugal Pump Fuel System. Wählen Sie das benötigte Ersatzteil aus der Ersatzteilliste Ihres Tanaka Gerätes aus und bestellen Sie einfach online. Viele Tanaka Ersatzteile halten wir ständig in unserem Lager für Sie bereit.
Häufig benötigte Tanaka TCP-210 - Centrifugal Pump Fuel System Ersatzteile

Artikelnummer: 669-0363
Suche nach: 669-0363
Hersteller: Tanaka
Tanaka Ersatzteil Fuel System
Suche nach: 669-0363
Hersteller: Tanaka
Tanaka Ersatzteil Fuel System
2.29 €
für EU incl. MwSt., zzgl. Versand


Qualitätsmanagement
Informieren Sie uns, wenn Sie einen Fehler gefunden haben.