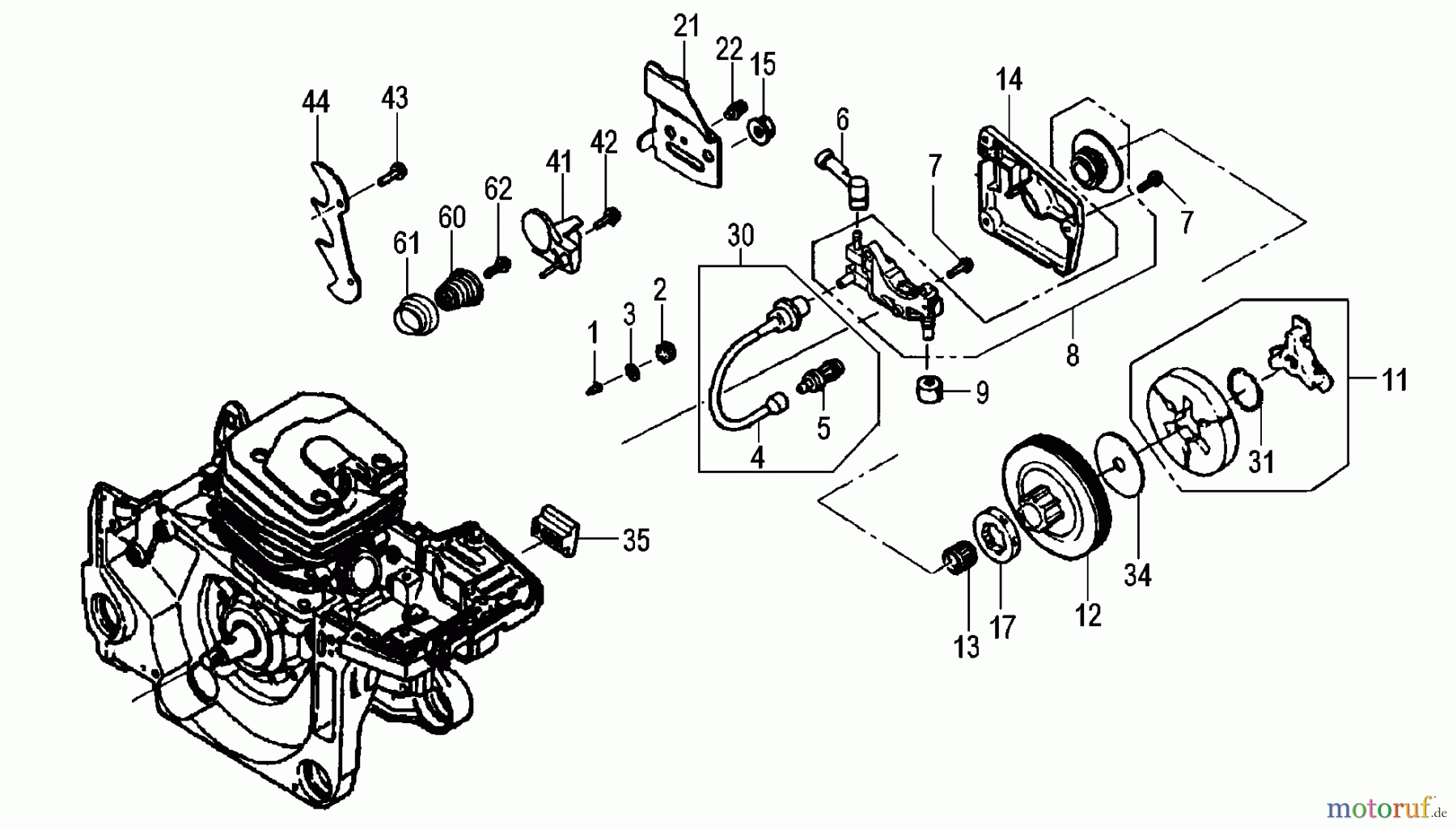
Tanaka ECV-5601 - Chainsaw Clutch & Oil Pump Ersatzteile
Fuehrung
Artikel Nummer:
669-0797
BildNr:
35
6.55 €
für EU incl. MwSt., zzgl. Versand
Der Artikel wurde in den Einkaufswagen gelegt!
Wird für Sie bestellt: Lieferzeit ca. 5 Werktage.
Hier finden Sie die Ersatzteilzeichnung für Tanaka Motorsägen ECV-5601 - Tanaka Chainsaw Clutch & Oil Pump. Wählen Sie das benötigte Ersatzteil aus der Ersatzteilliste Ihres Tanaka Gerätes aus und bestellen Sie einfach online. Viele Tanaka Ersatzteile halten wir ständig in unserem Lager für Sie bereit.


Qualitätsmanagement
Informieren Sie uns, wenn Sie einen Fehler gefunden haben.

