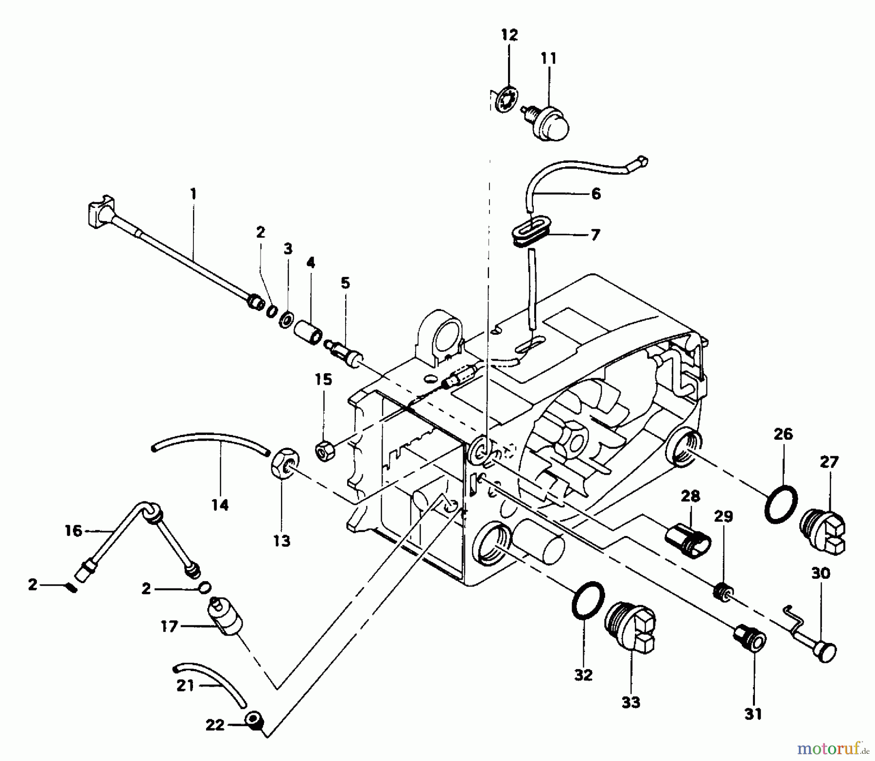
Tanaka ECS-300 - Chainsaw Oil Filter & Pump Filter Ersatzteile
Benzinschlauch
Artikel Nummer:
669-2353
BildNr:
14
7.75 €
für EU incl. MwSt., zzgl. Versand
Der Artikel wurde in den Einkaufswagen gelegt!
Wird für Sie bestellt: Lieferzeit ca. 5 Werktage.
Hier finden Sie die Ersatzteilzeichnung für Tanaka Motorsägen ECS-300 - Tanaka Chainsaw Oil Filter & Pump Filter. Wählen Sie das benötigte Ersatzteil aus der Ersatzteilliste Ihres Tanaka Gerätes aus und bestellen Sie einfach online. Viele Tanaka Ersatzteile halten wir ständig in unserem Lager für Sie bereit.
Häufig benötigte Tanaka ECS-300 - Chainsaw Oil Filter & Pump Filter Ersatzteile

Artikelnummer: 669-2353
Suche nach: 669-2353
Hersteller: Tanaka
Tanaka Ersatzteil Oil Filter & Pump Filter
Suche nach: 669-2353
Hersteller: Tanaka
Tanaka Ersatzteil Oil Filter & Pump Filter
7.75 €
für EU incl. MwSt., zzgl. Versand


Qualitätsmanagement
Informieren Sie uns, wenn Sie einen Fehler gefunden haben.





