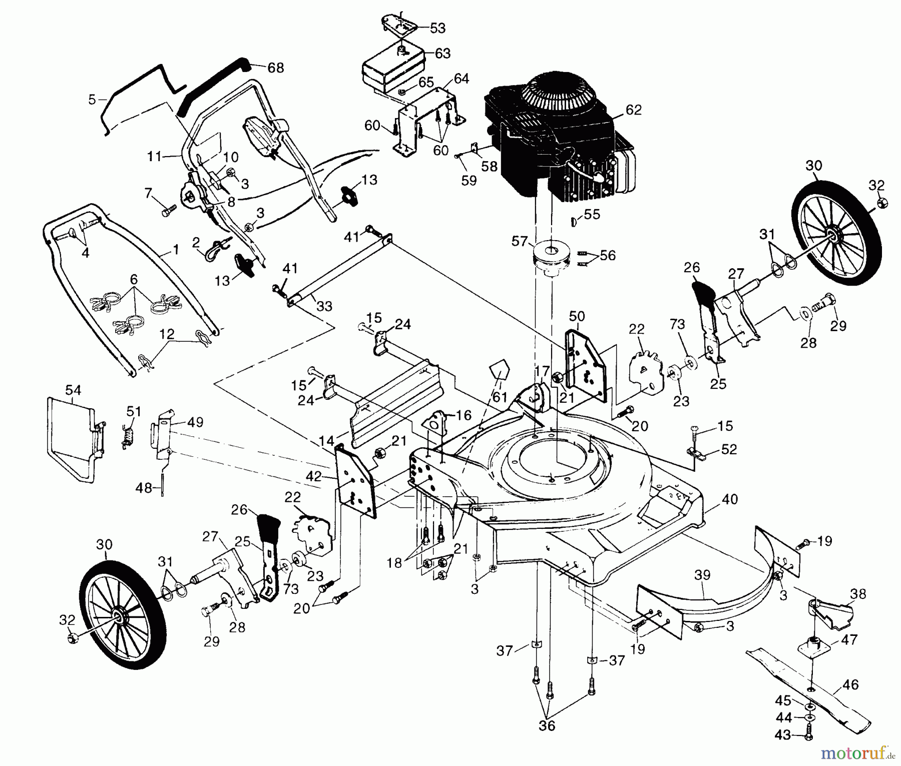
Poulan / Weed Eater PP752HLA - Poulan Pro Walk-Behind Mower Rotary Lawn Mower P/N 954 07 19-06 Ersatzteile
SCHRAUBE
Artikel Nummer:
532 14 49-29
BildNr:
7
6.55 €
für EU incl. MwSt., zzgl. Versand
Der Artikel wurde in den Einkaufswagen gelegt!
Wird für Sie bestellt: Lieferzeit ca. 5 Werktage.
Hier finden Sie die Ersatzteilzeichnung für Poulan / Weed Eater Rasenmäher PP752HLA - Poulan Pro Walk-Behind Mower Rotary Lawn Mower P/N 954 07 19-06. Wählen Sie das benötigte Ersatzteil aus der Ersatzteilliste Ihres Poulan / Weed Eater Gerätes aus und bestellen Sie einfach online. Viele Poulan / Weed Eater Ersatzteile halten wir ständig in unserem Lager für Sie bereit.


Qualitätsmanagement
Informieren Sie uns, wenn Sie einen Fehler gefunden haben.




