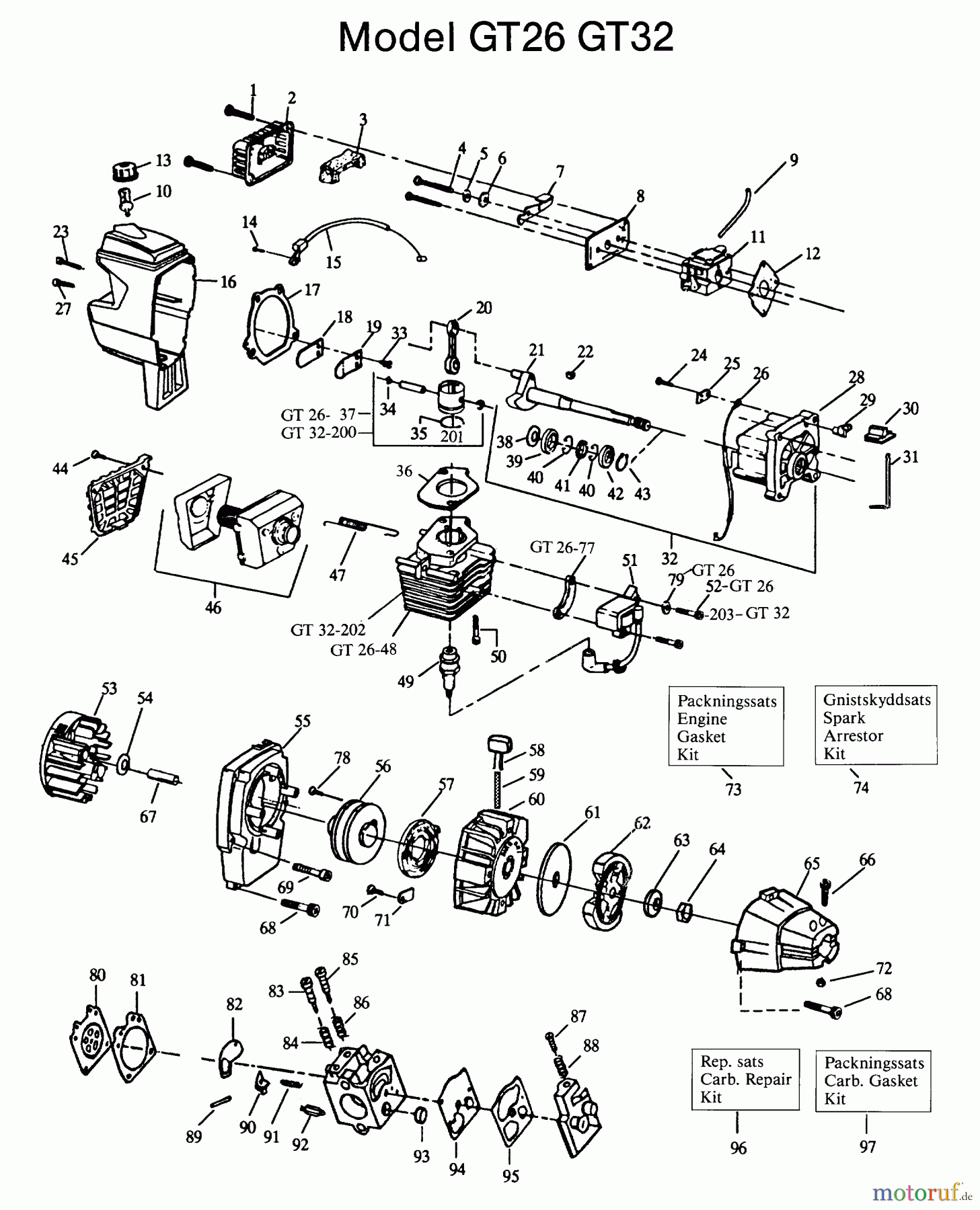
Jonsered GT32 - String/Brush Trimmer (1992-03) ENGINE Ersatzteile
PUMPENMEMBRANE
Artikel Nummer:
504 13 08-07
BildNr:
94
11.96 €
für EU incl. MwSt., zzgl. Versand
Der Artikel wurde in den Einkaufswagen gelegt!
Wird für Sie bestellt: Lieferzeit ca. 5 Werktage.
Hier finden Sie die Ersatzteilzeichnung für Jonsered Motorsensen, Trimmer GT32 - Jonsered String/Brush Trimmer (1992-03) ENGINE. Wählen Sie das benötigte Ersatzteil aus der Ersatzteilliste Ihres Jonsered Gerätes aus und bestellen Sie einfach online. Viele Jonsered Ersatzteile halten wir ständig in unserem Lager für Sie bereit.
Häufig benötigte Jonsered GT32 - String/Brush Trimmer (1992-03) ENGINE Ersatzteile


Qualitätsmanagement
Informieren Sie uns, wenn Sie einen Fehler gefunden haben.













