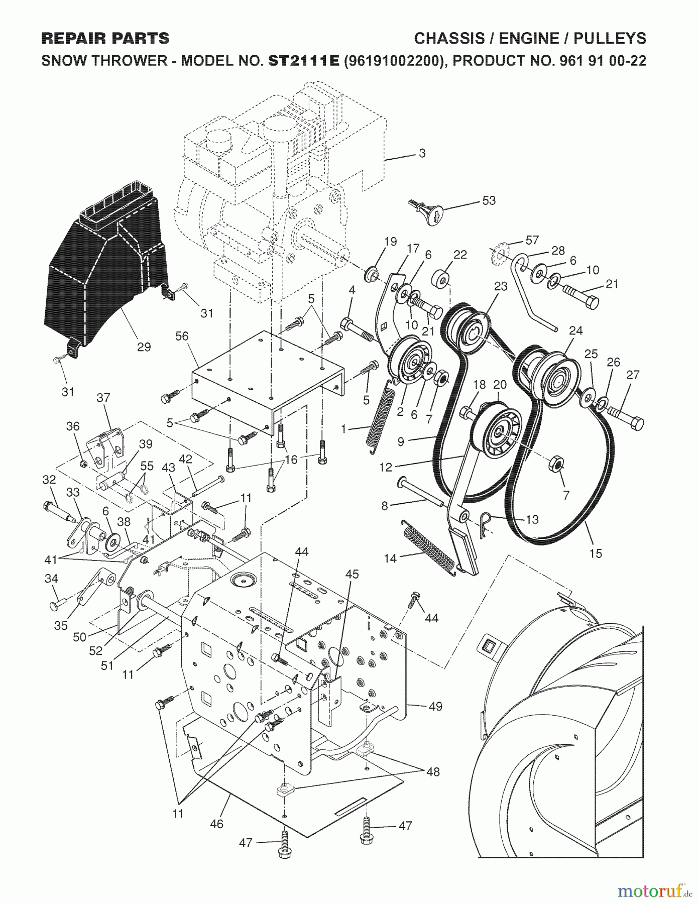
Jonsered ST 2111 E (96191002200) - Snow Thrower (2007-07) CHASSIS ENGINE PULLEYS Ersatzteile
Platte
Artikel Nummer:
532 18 83-70
BildNr:
50
Nicht mehr lieferbar.

Hier finden Sie die Ersatzteilzeichnung für Jonsered Schneefräsen ST 2111 E (96191002200) - Jonsered Snow Thrower (2007-07) CHASSIS ENGINE PULLEYS. Wählen Sie das benötigte Ersatzteil aus der Ersatzteilliste Ihres Jonsered Gerätes aus und bestellen Sie einfach online. Viele Jonsered Ersatzteile halten wir ständig in unserem Lager für Sie bereit.






