Jonsered 625 - Chainsaw (1995-10) STARTER Ersatzteile
SCHALTER
Artikel Nummer:
503 56 91-01
BildNr:
5035691-01
24.96 €
für EU incl. MwSt., zzgl. Versand
Der Artikel wurde in den Einkaufswagen gelegt!
Wird für Sie bestellt: Lieferzeit ca. 5 Werktage.
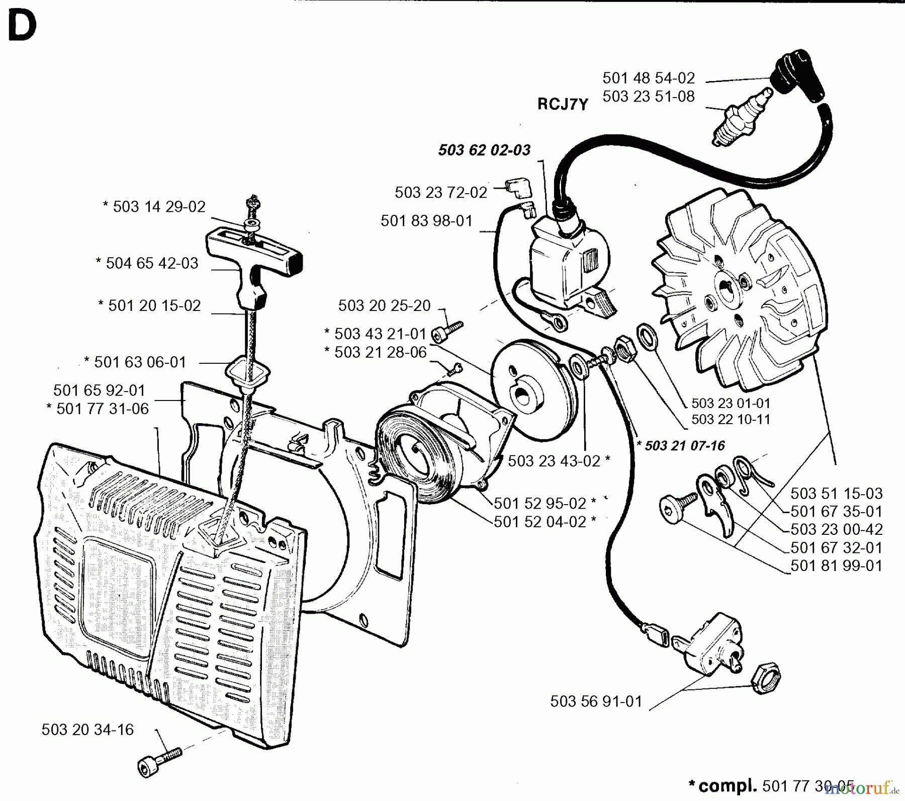
Hier finden Sie die Ersatzteilzeichnung für Jonsered Motorsägen 625 - Jonsered Chainsaw (1995-10) STARTER. Wählen Sie das benötigte Ersatzteil aus der Ersatzteilliste Ihres Jonsered Gerätes aus und bestellen Sie einfach online. Viele Jonsered Ersatzteile halten wir ständig in unserem Lager für Sie bereit.
Häufig benötigte Jonsered 625 - Chainsaw (1995-10) STARTER Ersatzteile
| BildNr | Artikel Nummer | Bezeichnung | |
| 5031429-02 | 503 14 29-02 | SCHEIBE | |
| 5046542-03 | 504 65 42-03 | STARTERGRIFF | |
| 5012015-02 | ![]() | 501 20 15-02 | SEIL |
| 5016306-01 | 501 63 06-01 | HüLSE | |
| 5016592-01 | 501 65 92-01 | LEITBLECH | |
| 5017731-06 | 501 77 31-06 | DECKEL | |
| 5032034-16 | 503 20 34-16 | SCHRAUBE | |
| 5035691-01 | ![]() | 503 56 91-01 | SCHALTER |
| 5015204-02 | 501 52 04-02 | RUECKHOLFEDER | |
| 5015295-02 | 501 52 95-02 | SCHEIBE | |
| 5032343-02 | 503 23 43-02 | SCHEIBE | |
| 5032128-06 | 503 21 28-06 | SCHRAUBE | |
| 5034321-01 | 503 43 21-01 | SEILROLLE | |
| 5032025-20 | 503 20 25-20 | SCHRAUBE | |
| 5018398-01 | 501 83 98-01 | KABEL | |
| 5032372-02 | 503 23 72-02 | MUFFE | |
| 5036202-03 | 503 90 14-01 | ELEKTRONIKMODUL | |
| 5032107-16 | 503 21 07-16 | SCHRAUBE | |
| 5017730-05 | 501 77 30-05 | STARTER KPL: | |
| 5018199-01 | 501 81 99-01 | SCHRAUBE | |
| 5016732-01 | 501 67 32-01 | KLINKE | |
| 5032300-42 | 503 23 00-42 | SCHEIBE | |
| 5016735-01 | 501 67 35-01 | FEDER | |
| 5035115-03 | 537 05 16-02 | SCHWUNGRAD | |
| 5032210-11 | 503 22 10-11 | MUTTER M8 X 1 | |
| 5032301-01 | 503 23 01-01 | SCHEIBE | |
| 5032351-08 | 503235111 | ||
| 5014854-02 | 501 48 54-02 | Kerzenschuh kompl. | |


Qualitätsmanagement
Informieren Sie uns, wenn Sie einen Fehler gefunden haben.




