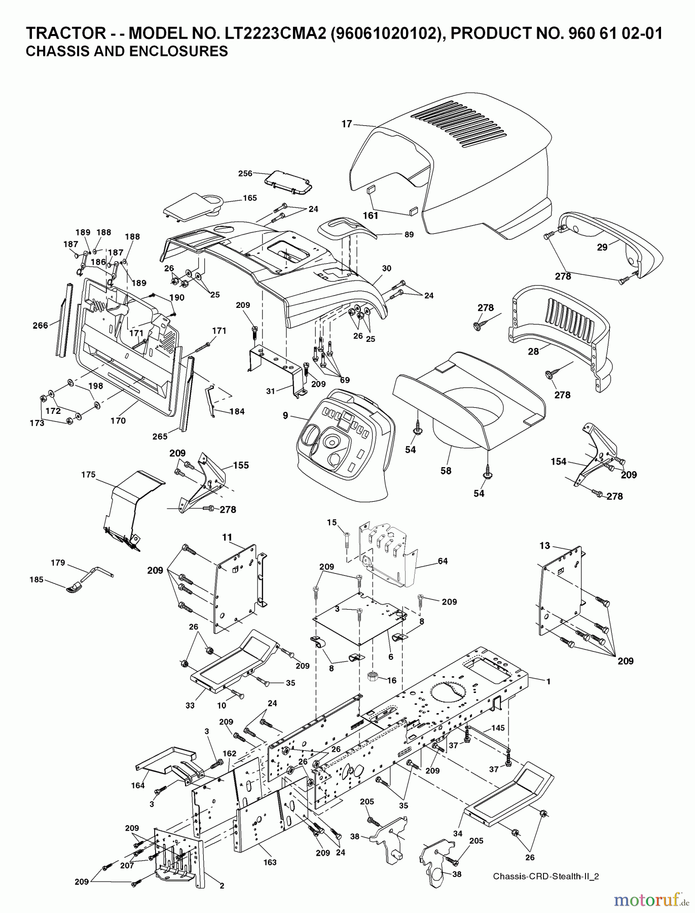
Jonsered LT2223 CMA2 (96061020102) - Lawn & Garden Tractor (2007-10) CHASSIS ENCLOSURES Ersatzteile
BOLZEN
Artikel Nummer:
872 11 06-08
BildNr:
10
8.32 €
für EU incl. MwSt., zzgl. Versand
Der Artikel wurde in den Einkaufswagen gelegt!
Wird für Sie bestellt: Lieferzeit ca. 5 Werktage.
Hier finden Sie die Ersatzteilzeichnung für Jonsered Rasen und Garten Traktoren LT2223 CMA2 (96061020102) - Jonsered Lawn & Garden Tractor (2007-10) CHASSIS ENCLOSURES. Wählen Sie das benötigte Ersatzteil aus der Ersatzteilliste Ihres Jonsered Gerätes aus und bestellen Sie einfach online. Viele Jonsered Ersatzteile halten wir ständig in unserem Lager für Sie bereit.


Qualitätsmanagement
Informieren Sie uns, wenn Sie einen Fehler gefunden haben.



