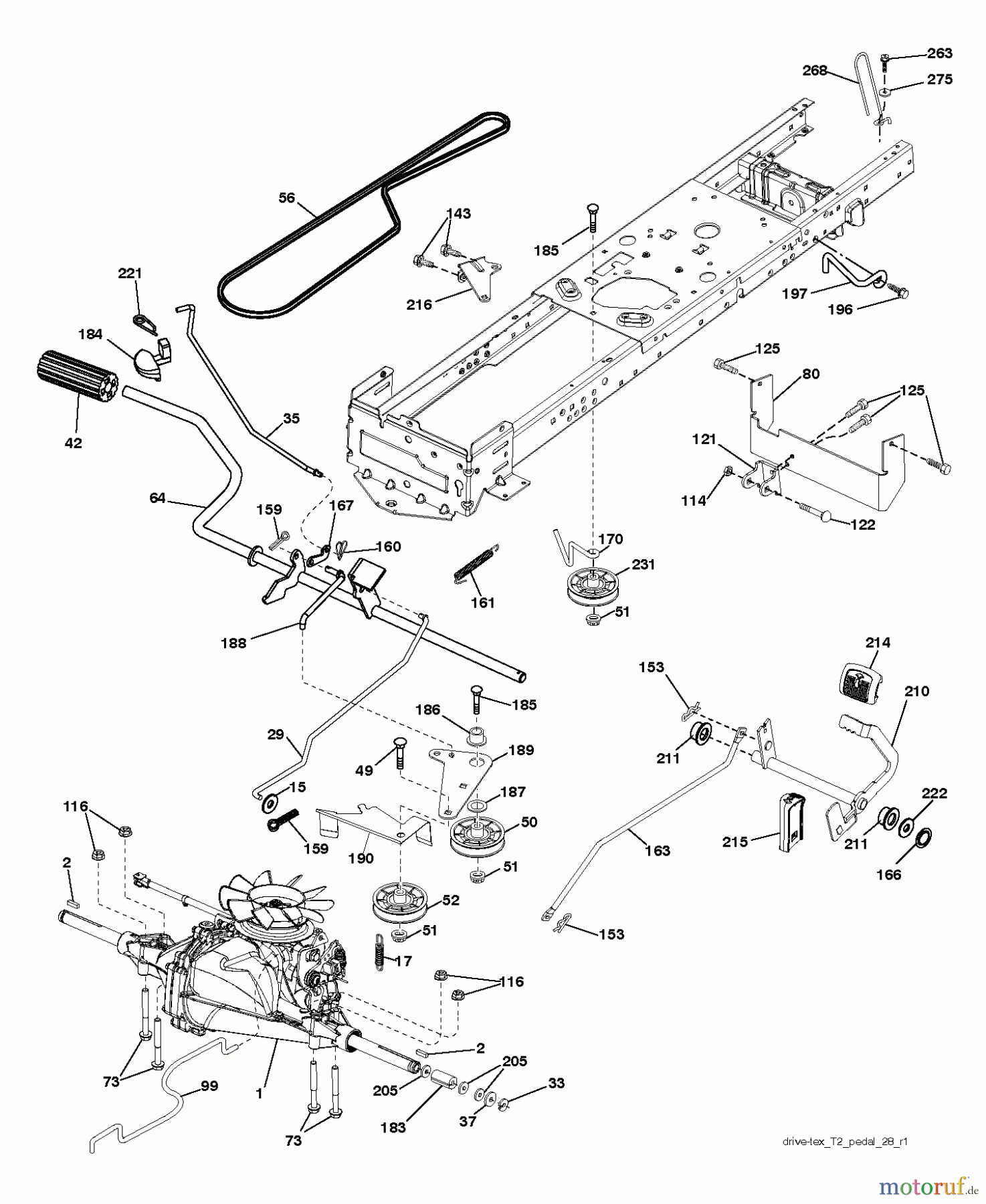
Jonsered LT2213 CA (96051001903) - Lawn & Garden Tractor (2012-08) DRIVE Ersatzteile
PEDAL
Artikel Nummer:
532 42 12-63
BildNr:
214
16.65 €
für EU incl. MwSt., zzgl. Versand
Der Artikel wurde in den Einkaufswagen gelegt!
Wird für Sie bestellt: Lieferzeit ca. 5 Werktage.
Hier finden Sie die Ersatzteilzeichnung für Jonsered Rasen und Garten Traktoren LT2213 CA (96051001903) - Jonsered Lawn & Garden Tractor (2012-08) DRIVE. Wählen Sie das benötigte Ersatzteil aus der Ersatzteilliste Ihres Jonsered Gerätes aus und bestellen Sie einfach online. Viele Jonsered Ersatzteile halten wir ständig in unserem Lager für Sie bereit.


Qualitätsmanagement
Informieren Sie uns, wenn Sie einen Fehler gefunden haben.








