Ryobi Benzin PCN4545 Filter Ersatzteile
GRUNDPLATTE
Artikel Nummer:
5131001707
BildNr:
001
9.36 €
für EU incl. MwSt., zzgl. Versand
Der Artikel wurde in den Einkaufswagen gelegt!
Wird für Sie bestellt: Lieferzeit ca. 5 bis 14 Werktage.
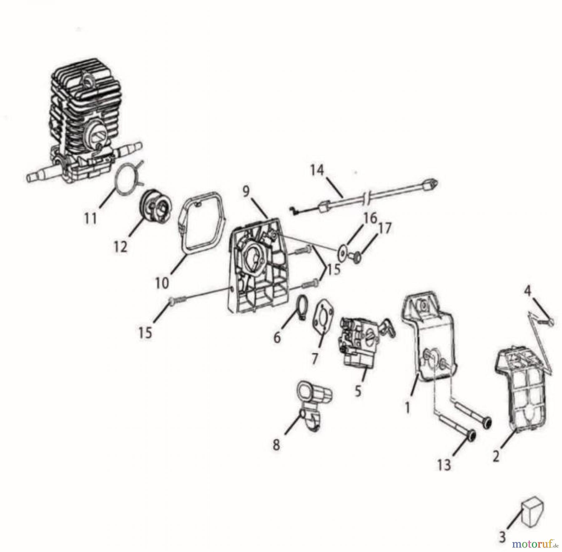
Hier finden Sie die Ersatzteilzeichnung für Ryobi Kettensägen Benzin PCN4545 Filter. Wählen Sie das benötigte Ersatzteil aus der Ersatzteilliste Ihres Ryobi Gerätes aus und bestellen Sie einfach online. Viele Ryobi Ersatzteile halten wir ständig in unserem Lager für Sie bereit.
Häufig benötigte Ryobi Benzin PCN4545 Filter Ersatzteile
| BildNr | Artikel Nummer | Bezeichnung | |
| 001 | 5131001707 | GRUNDPLATTE | |
| 002 | ![]() | 5131000727 | Deckel |
| 003 | ![]() | 5131001182 | Filterschwamm |
| 004 | 5131000988 | Schraube | |
| 005 | 5131000620 | Vergaser H58C | |
| 006 | 5131000726 | Anschlussplatte Vergaser | |
| 007 | 5131001192 | Dichtung Vergaser | |
| 008 | 5131000772 | Dichtung Vergaser | |
| 009 | 5131001605 | Adapter Vergaser | |
| 010 | 5131001706 | Dichtung | |
| 011 | 5131001048 | Klemme | |
| 012 | 5131000773 | Ansaugstutzen | |
| 013 | 5131001012 | Schraube | |
| 014 | 5131001191 | Gaszug | |
| 015 | 5131000996 | Schraube | |
| 016 | 5131001024 | Unterlegscheibe | |
| 017 | 5131001002 | Schraube | |






