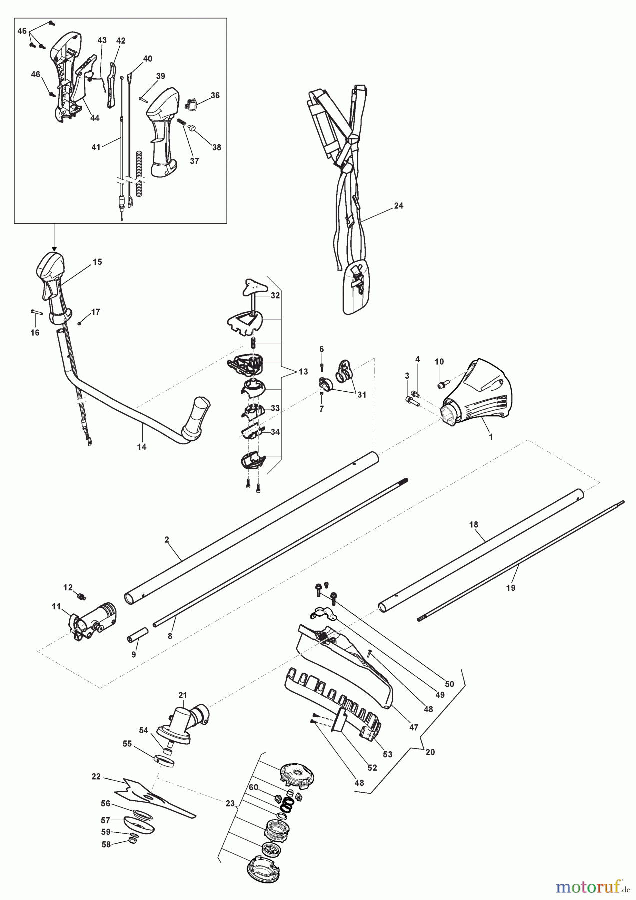
Stiga Baujahr 2024 BC 330 AB (2024) 287121102/ST2 Getriebe Ersatzteile
Mutter
Artikel Nummer:
2452090
BildNr:
58
7.70 €
für EU incl. MwSt., zzgl. Versand
Der Artikel wurde in den Einkaufswagen gelegt!
Wird für Sie bestellt: Lieferzeit ca. 5 bis 14 Werktage.
Hier finden Sie die Ersatzteilzeichnung für Stiga Motorsensen, Trimmer Baujahr 2024 BC 330 AB (2024) 287121102/ST2 Getriebe. Wählen Sie das benötigte Ersatzteil aus der Ersatzteilliste Ihres Stiga Gerätes aus und bestellen Sie einfach online. Viele Stiga Ersatzteile halten wir ständig in unserem Lager für Sie bereit.










