MTD ANTHRACITE POWER 76 13AH76KC676 (2021) Motorzubehör Ersatzteile
ÖLABLAUFRINNE
Artikel Nummer:
731-05628
BildNr:
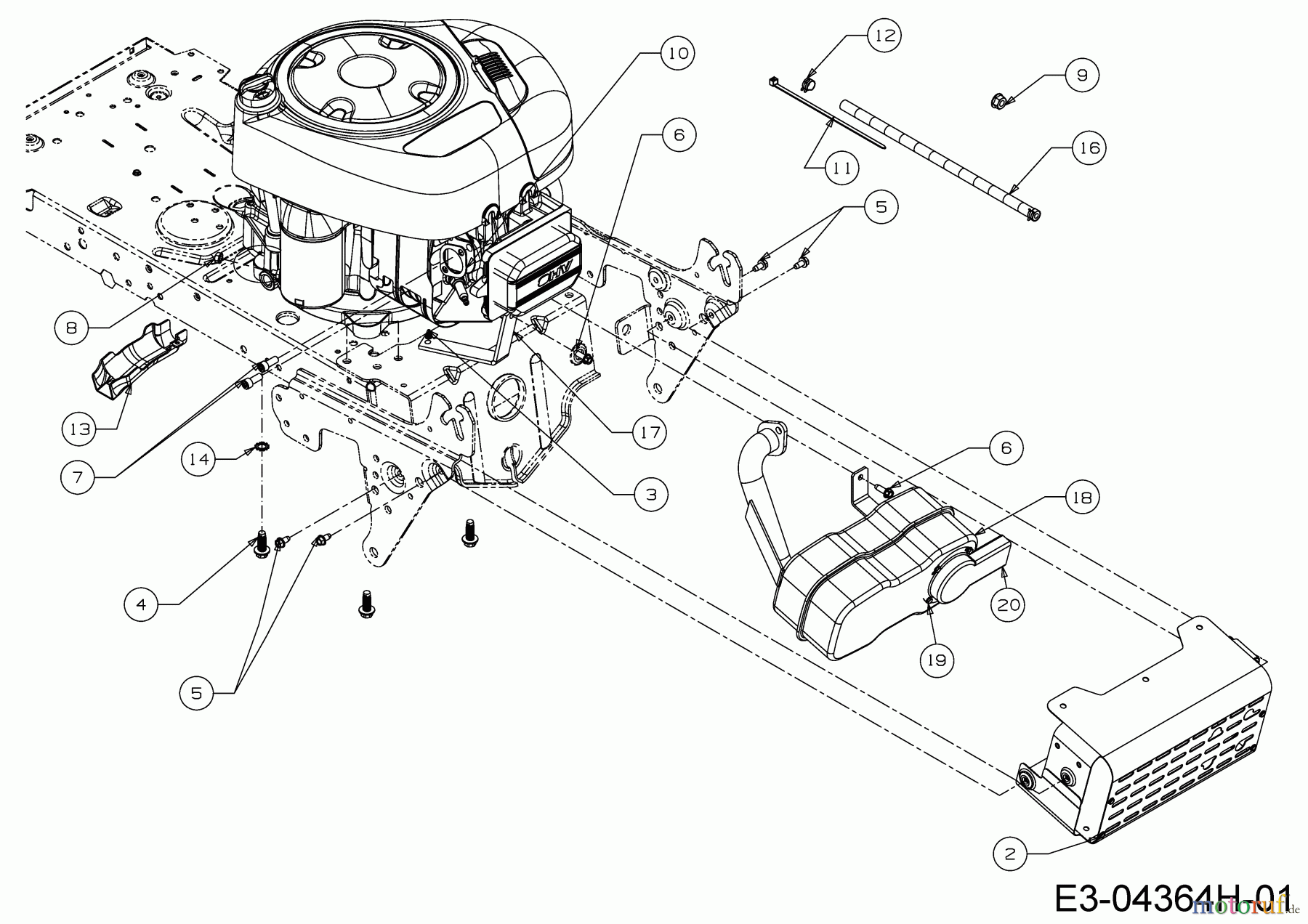
13
Modell BJ:
GL 12.5/76 T / 2018 GL 12.5/96 T / 2018 GL 13.5/92 T / 2018 BE 92 T / 2018 BE 96 T / 2018 96.130 T / 2018 Smart RE 130 H / 2018 Smart RF 125 / 2018 Smart RF 130 H / 2018 96-125 / 2018 92.130 T / 2018 Smart RC 125 / 2018 Smart RE 125 / 2018 A 92 H / 2018
10.40 €
für EU incl. MwSt., zzgl. Versand
Der Artikel wurde in den Einkaufswagen gelegt!
sofort Lieferbar
Hier finden Sie die Ersatzteilzeichnung für MTD Rasentraktoren ANTHRACITE POWER 76 13AH76KC676 (2021) Motorzubehör. Wählen Sie das benötigte Ersatzteil aus der Ersatzteilliste Ihres MTD Gerätes aus und bestellen Sie einfach online. Viele MTD Ersatzteile halten wir ständig in unserem Lager für Sie bereit.
Häufig benötigte MTD ANTHRACITE POWER 76 13AH76KC676 (2021) Motorzubehör Ersatzteile

Artikelnummer: 731-05628
Suche nach: 731-05628
Hersteller: MTD
MTD Ersatzteil Motorzubehör
Suche nach: 731-05628
Hersteller: MTD
MTD Ersatzteil Motorzubehör
10.40 €
für EU incl. MwSt., zzgl. Versand














