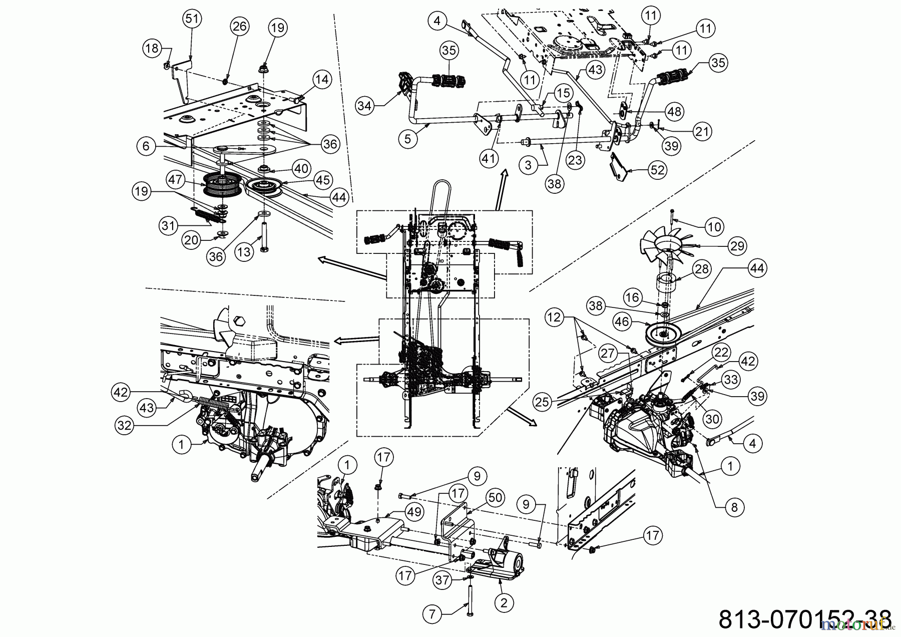
Cub Cadet LT2 NR92 13AB71BE603 (2023) Hydrostat, Keilriemen, Pedale Ersatzteile
ZUGFEDER:.50 DIA x 3.97 LG
Artikel Nummer:
732-0429A
BildNr:
31
Modell BJ:
BRONCO 92T-R / 2306 HORSE 105T-R / 2306 Optima LN 200 H / 2307 Smart RE 130 H / 2307 ANTHRACITE POWER 92 / 2308 LT2 NR92 / 2309 LT3 PR105 / 2309
9.26 €
für EU incl. MwSt., zzgl. Versand
Der Artikel wurde in den Einkaufswagen gelegt!
sofort Lieferbar
Hier finden Sie die Ersatzteilzeichnung für Cub Cadet Rasentraktoren LT2 NR92 13AB71BE603 (2023) Hydrostat, Keilriemen, Pedale. Wählen Sie das benötigte Ersatzteil aus der Ersatzteilliste Ihres Cub Cadet Gerätes aus und bestellen Sie einfach online. Viele Cub Cadet Ersatzteile halten wir ständig in unserem Lager für Sie bereit.
Häufig benötigte Cub Cadet LT2 NR92 13AB71BE603 (2023) Hydrostat, Keilriemen, Pedale Ersatzteile

Artikelnummer: 732-0429A
Suche nach: 732-0429A
Hersteller: MTD
Cub Cadet Ersatzteil Hydrostat, Keilriemen, Pedale
Suche nach: 732-0429A
Hersteller: MTD
Cub Cadet Ersatzteil Hydrostat, Keilriemen, Pedale
9.26 €
für EU incl. MwSt., zzgl. Versand


Qualitätsmanagement
Informieren Sie uns, wenn Sie einen Fehler gefunden haben.



























