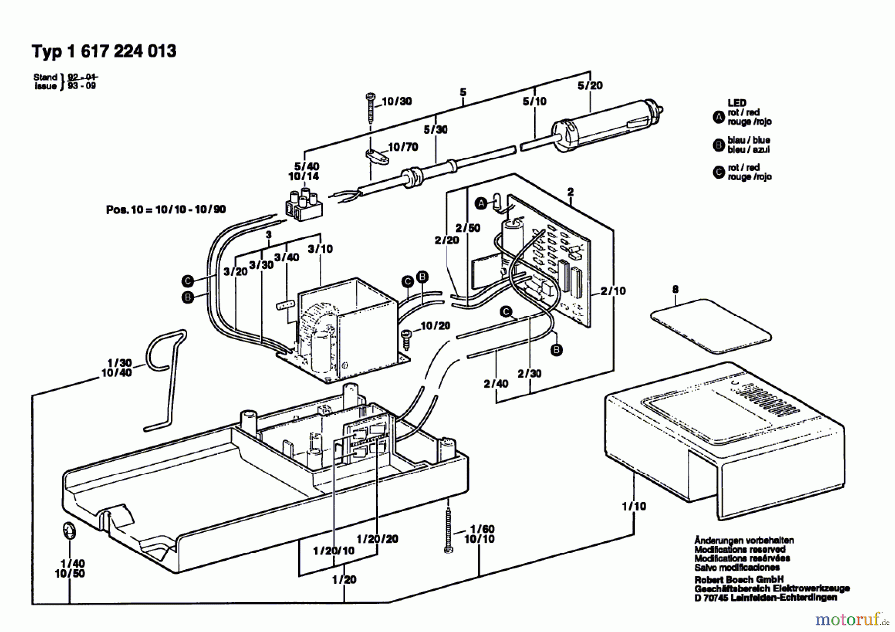
Bosch Batterie-Ladegerät ---- Ersatzteile
Elektr Leitung
Artikel Nummer:
2 604 449 048
BildNr:
5
Nicht mehr lieferbar.
Artikel Nummer: 1 617 224 013 (1617224013)

Hier finden Sie die Ersatzteilzeichnung für Bosch Werkzeug Batterie-Ladegerät ---- Seite 1. Wählen Sie das benötigte Ersatzteil aus der Ersatzteilliste Ihres Bosch Gerätes aus und bestellen Sie einfach online. Viele Bosch Ersatzteile halten wir ständig in unserem Lager für Sie bereit.
| BildNr | Artikel Nummer | Bezeichnung | |
| 1/30 | 1 614 680 004 | Haltefeder | |
| 1/20 | 1 615 190 014 | Gehäuseunterteil | |
| 1/10 | 1 615 500 273 | Gehäusedeckel | |
| 2 | 2 608 300 002 | Leiterplatte Bestückt | |
| 3 | 2 608 300 001 | Leiterplatte Unbestueckt | |
| 5 | 2 604 449 048 | Elektr Leitung | |
| 8 | 1 611 110 300 | Typschild | |
| 10/40 | 1 614 680 004 | Haltefeder | |
| 10 | 2 607 000 146 | Teilesatz | |


Qualitätsmanagement
Informieren Sie uns, wenn Sie einen Fehler gefunden haben.

