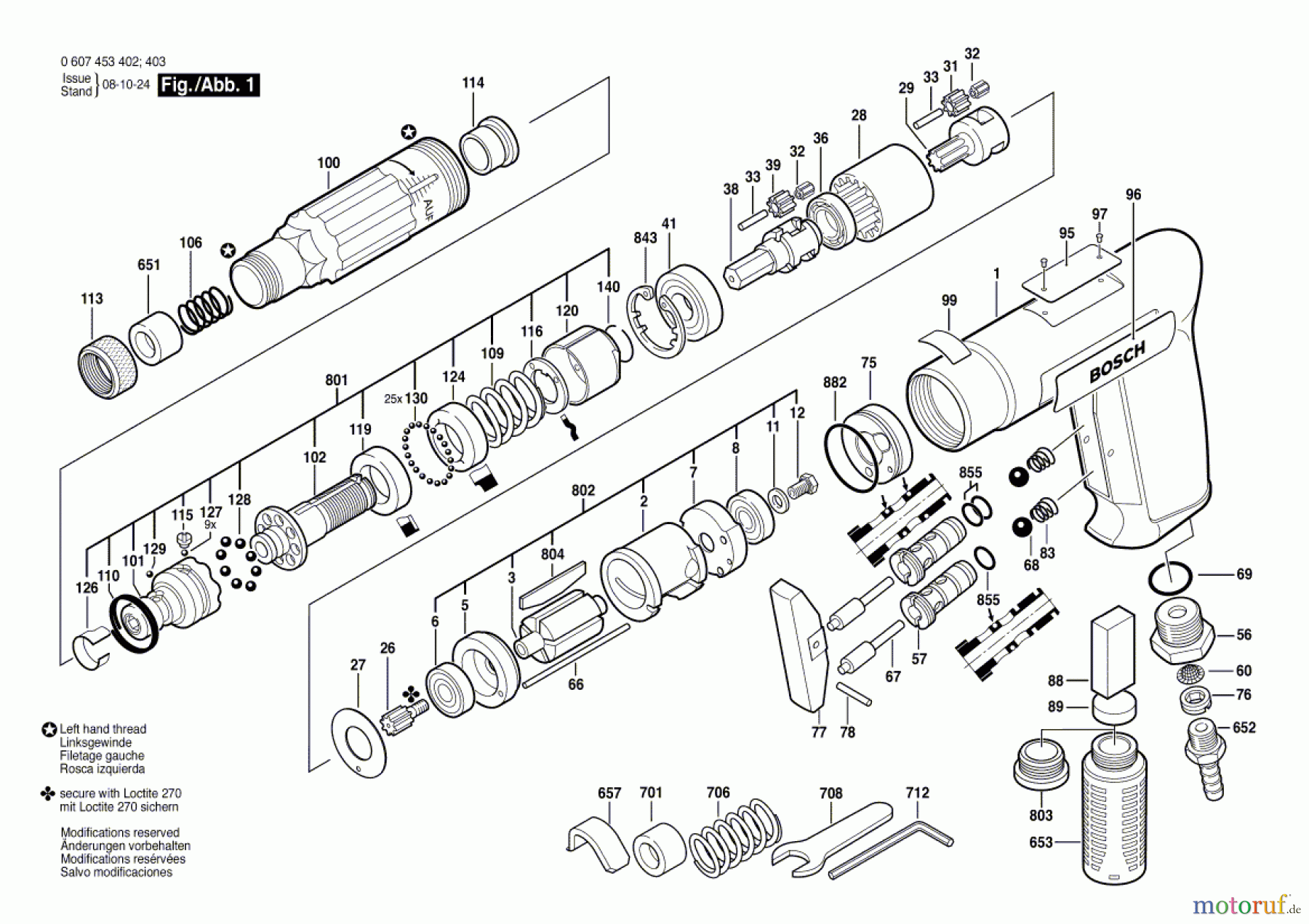
Bosch Pw-Schrauber-Ind 180 WATT-SERIE Ersatzteile
Teilesatz
Artikel Nummer:
3 607 010 016
BildNr:
803
Nicht mehr lieferbar.
Artikel Nummer: 0 607 453 403 (0607453403)

Hier finden Sie die Ersatzteilzeichnung für Bosch Werkzeug Pw-Schrauber-Ind 180 WATT-SERIE Seite 1. Wählen Sie das benötigte Ersatzteil aus der Ersatzteilliste Ihres Bosch Gerätes aus und bestellen Sie einfach online. Viele Bosch Ersatzteile halten wir ständig in unserem Lager für Sie bereit.



