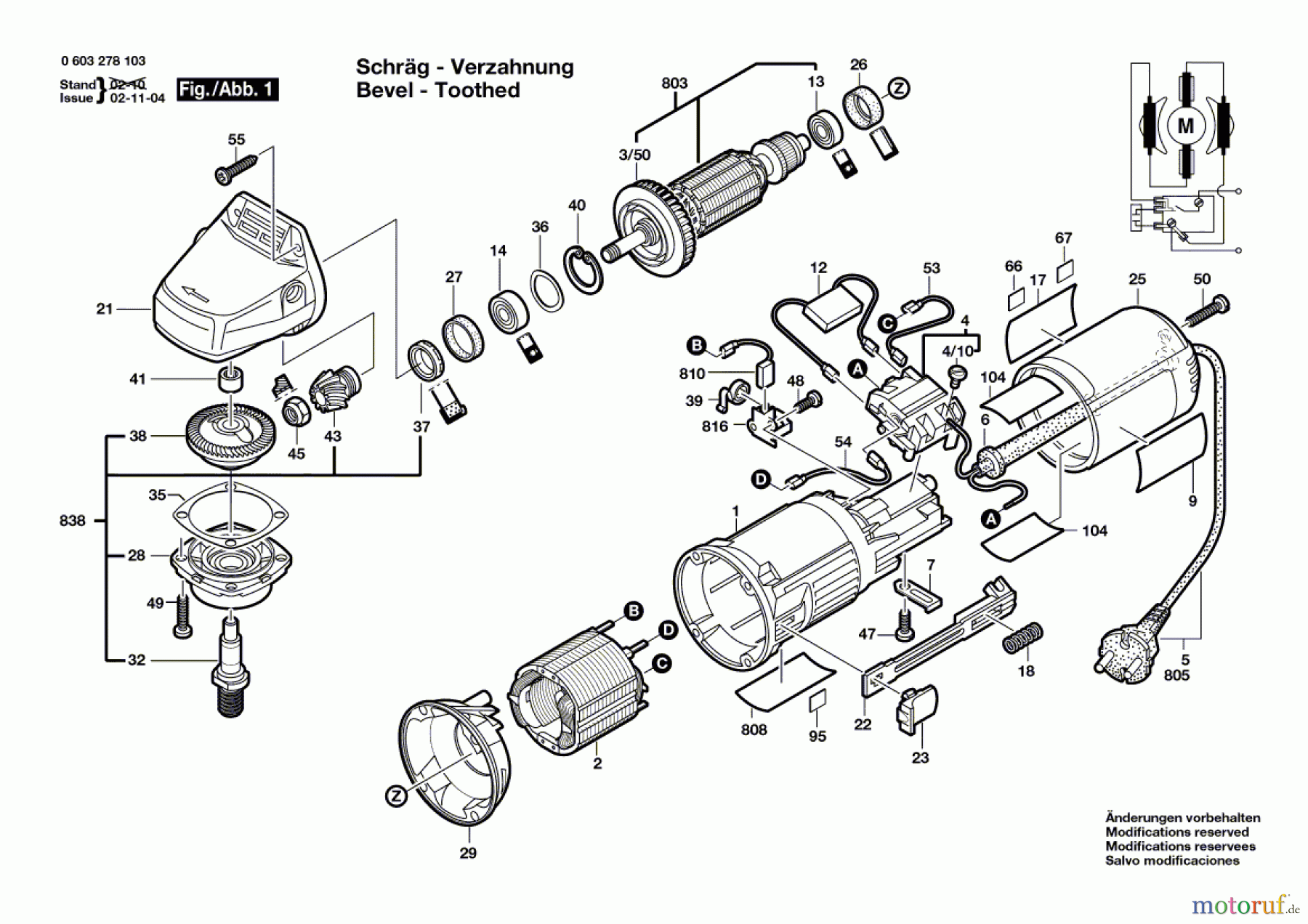
Bosch Winkelschleifer PWS 5-115 Ersatzteile
Tülle
Artikel Nummer:
2 600 703 012
BildNr:
6
3.95 €
für EU incl. MwSt., zzgl. Versand
Der Artikel wurde in den Einkaufswagen gelegt!
Wird für Sie bestellt: Lieferzeit ca. 5 Werktage.Artikel Nummer: 0 603 278 103 (0603278103)

Hier finden Sie die Ersatzteilzeichnung für Bosch Werkzeug Winkelschleifer PWS 5-115 Seite 1. Wählen Sie das benötigte Ersatzteil aus der Ersatzteilliste Ihres Bosch Gerätes aus und bestellen Sie einfach online. Viele Bosch Ersatzteile halten wir ständig in unserem Lager für Sie bereit.
Häufig benötigte Bosch Winkelschleifer PWS 5-115 Ersatzteile


Qualitätsmanagement
Informieren Sie uns, wenn Sie einen Fehler gefunden haben.



