Efco Formula 96 M 13AC479F637 (2003) Rahmen, Sitz, Tank Ersatzteile
ZÜNDSCHLÜSSEL
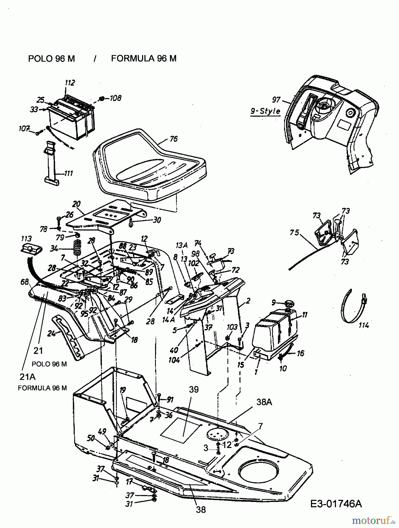
Artikel Nummer:
725-0201
BildNr:
14
DINNORM:
FINISH:VERNICKELT 079.12.707
Zusatztext DE:
für Ref. 13
Zusatztext FR:
pour Ref. 13
Zusatztext EN:
for Ref. 13
Modell BJ:
Polo 96 M / 2003 Formula 96 M / 2003
6.24 €
für EU incl. MwSt., zzgl. Versand
Der Artikel wurde in den Einkaufswagen gelegt!
sofort Lieferbar
Hier finden Sie die Ersatzteilzeichnung für Efco Rasentraktoren Formula 96 M 13AC479F637 (2003) Rahmen, Sitz, Tank. Wählen Sie das benötigte Ersatzteil aus der Ersatzteilliste Ihres Efco Gerätes aus und bestellen Sie einfach online. Viele Efco Ersatzteile halten wir ständig in unserem Lager für Sie bereit.
Häufig benötigte Efco Formula 96 M 13AC479F637 (2003) Rahmen, Sitz, Tank Ersatzteile

Artikelnummer: 725-0201
Suche nach: 725-0201
Hersteller: MTD
Efco Ersatzteil Rahmen, Sitz, Tank
Suche nach: 725-0201
Hersteller: MTD
Efco Ersatzteil Rahmen, Sitz, Tank
6.24 €
für EU incl. MwSt., zzgl. Versand




































