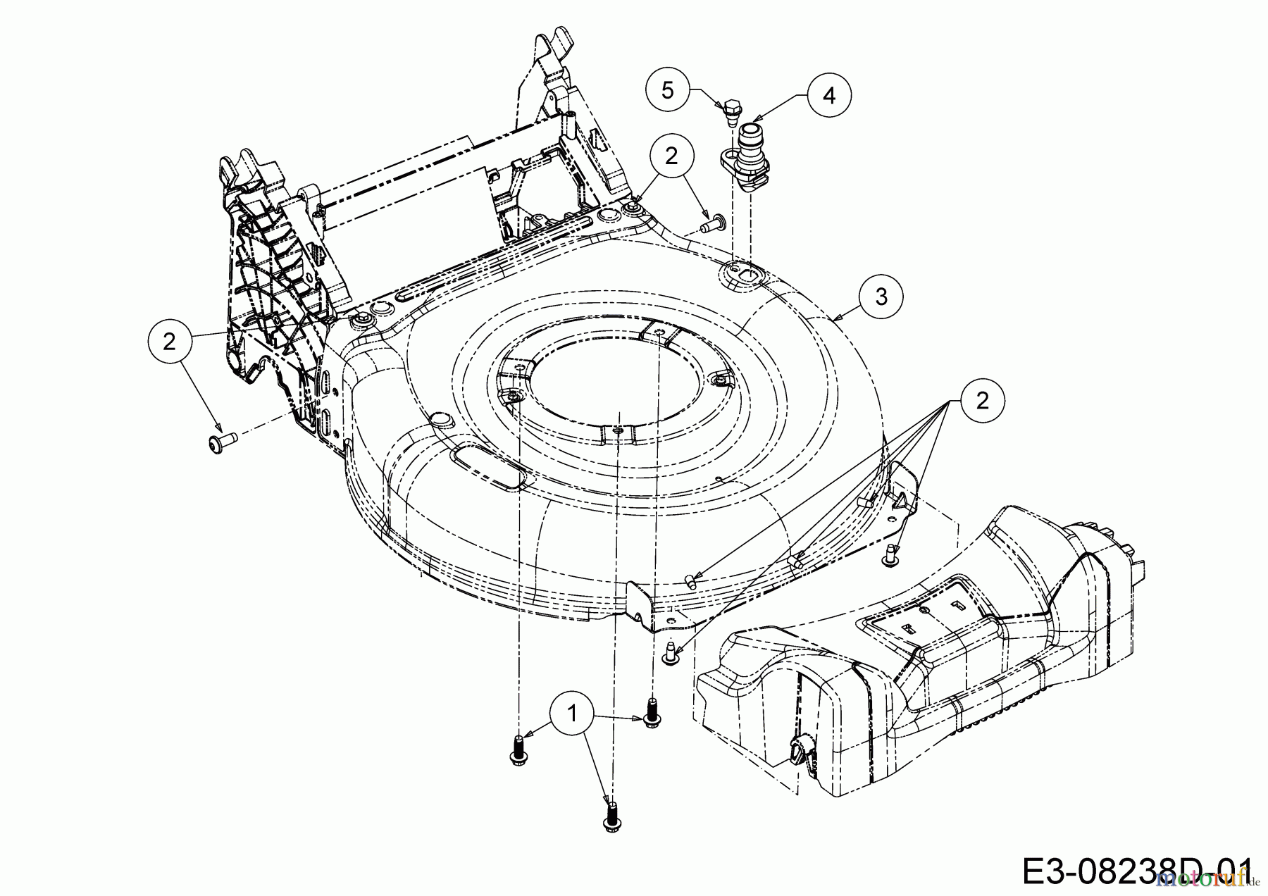
Cub Cadet LM1 CR53 12B-PQSC603 (2020) Mähwerksgehäuse, Waschdüse Ersatzteile
MÄHWERKSGEHÄUSE 21" 2IN1
Artikel Nummer:
787-03058ACY
BildNr:
3
Modell BJ:
LM1 CR53 / 2019 LM1 CR53 / 2020 LM2 DR53s / 2019 LM2 DR53s / 2019 LM2 DR53s / 2020
119.49 €
für EU incl. MwSt., zzgl. Versand
Der Artikel wurde in den Einkaufswagen gelegt!
Wird für Sie bestellt: Lieferzeit ca. 5 bis 14 Werktage.
Hier finden Sie die Ersatzteilzeichnung für Cub Cadet Motormäher mit Antrieb LM1 CR53 12B-PQSC603 (2020) Mähwerksgehäuse, Waschdüse. Wählen Sie das benötigte Ersatzteil aus der Ersatzteilliste Ihres Cub Cadet Gerätes aus und bestellen Sie einfach online. Viele Cub Cadet Ersatzteile halten wir ständig in unserem Lager für Sie bereit.


Qualitätsmanagement
Informieren Sie uns, wenn Sie einen Fehler gefunden haben.




