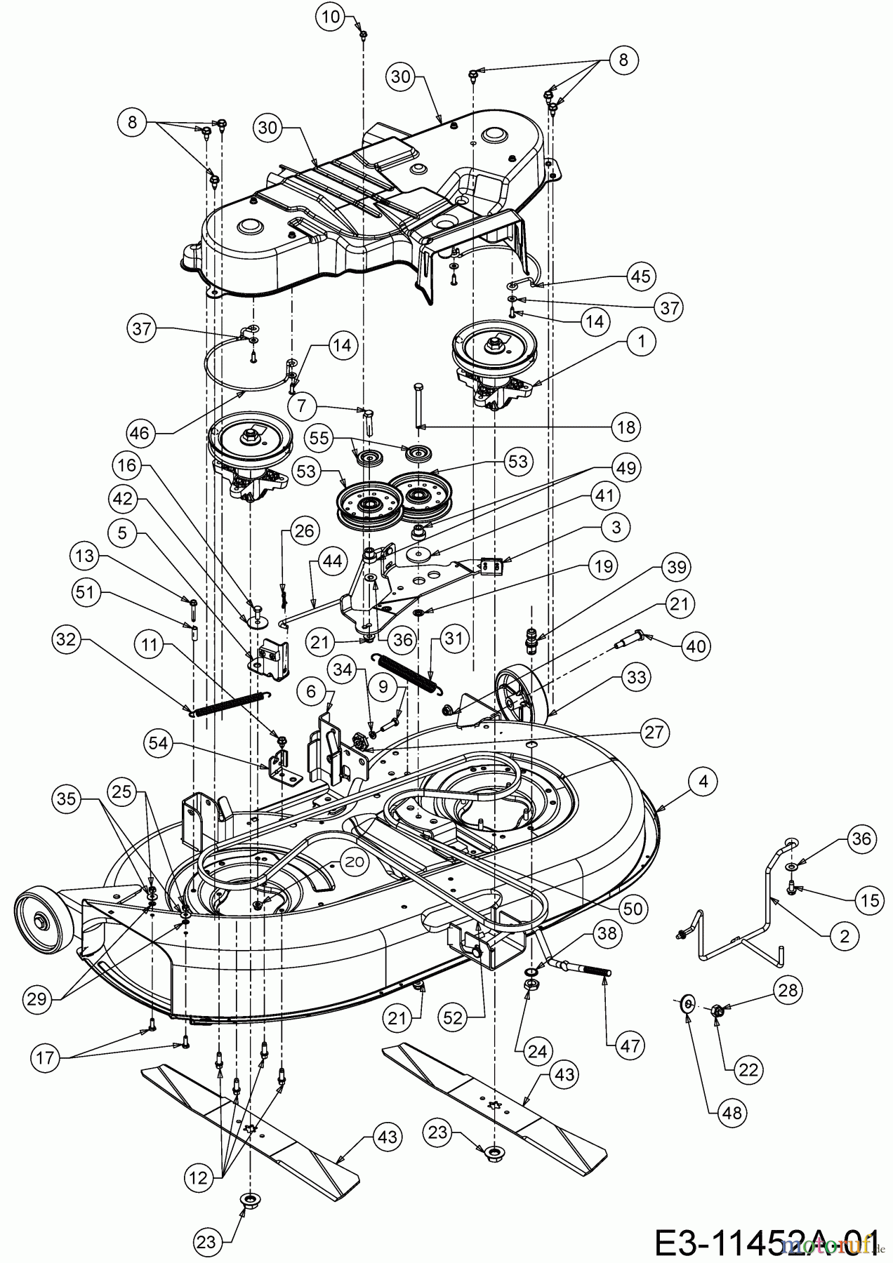
Cub Cadet LT3 PS107K 13AV79DG603 (2020) Mähwerk G (42"/107cm) Ersatzteile
HALTESTANGE:DECK:VORN 42"LT5SD
Artikel Nummer:
747-07732
BildNr:
47
Modell BJ:
Optima LG 200 H / 2020 Smart RG 145 / 2020 200-107 TWIN H / 2020 LT3 PS107K / 2020
32.97 €
für EU incl. MwSt., zzgl. Versand
Der Artikel wurde in den Einkaufswagen gelegt!
Wird für Sie bestellt: Lieferzeit ca. 5 bis 14 Werktage.
Hier finden Sie die Ersatzteilzeichnung für Cub Cadet Rasentraktoren LT3 PS107K 13AV79DG603 (2020) Mähwerk G (42"/107cm). Wählen Sie das benötigte Ersatzteil aus der Ersatzteilliste Ihres Cub Cadet Gerätes aus und bestellen Sie einfach online. Viele Cub Cadet Ersatzteile halten wir ständig in unserem Lager für Sie bereit.


Qualitätsmanagement
Informieren Sie uns, wenn Sie einen Fehler gefunden haben.












































