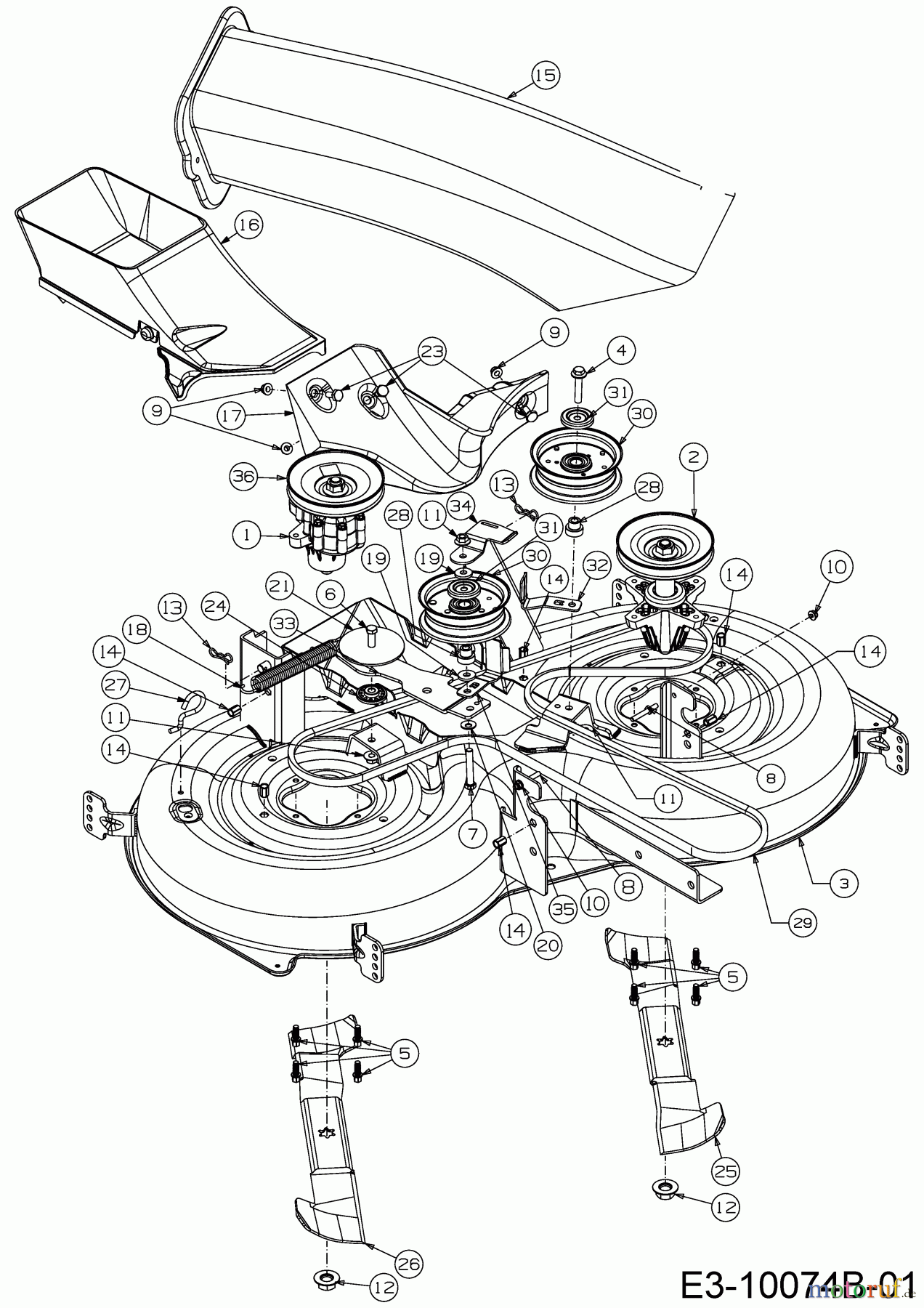
Cub Cadet XT3 QR106E 13CIA5CR603 (2020) Mähwerk R Ersatzteile
LEITSTÜCK(ZUNGE) 105cm
Artikel Nummer:
731-12313
BildNr:
17
Modell BJ:
XT2 PR106IE / 2019 XT3 QR106E / 2018 Lawn King 23/42 / 2018 XT2 QR106 / 2018 XT1 OR106 / 2018 XT2 PR106IE / 2018 XT2 QR106 / 2018 XT1 QR106K / 2018 275-106 TWIN H / 2018 285-106 TWIN KH / 2018 GL 17.5/106 H / 2018 GL 22.0/106 H / 2018 23/42 K / 2018 TB
46.27 €
für EU incl. MwSt., zzgl. Versand
Der Artikel wurde in den Einkaufswagen gelegt!
Wird für Sie bestellt: Lieferzeit ca. 5 bis 14 Werktage.
Hier finden Sie die Ersatzteilzeichnung für Cub Cadet Rasentraktoren XT3 QR106E 13CIA5CR603 (2020) Mähwerk R. Wählen Sie das benötigte Ersatzteil aus der Ersatzteilliste Ihres Cub Cadet Gerätes aus und bestellen Sie einfach online. Viele Cub Cadet Ersatzteile halten wir ständig in unserem Lager für Sie bereit.


Qualitätsmanagement
Informieren Sie uns, wenn Sie einen Fehler gefunden haben.














