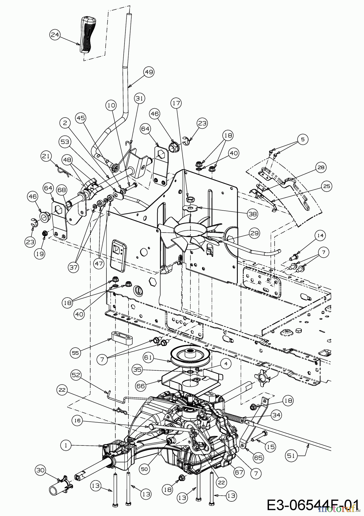
Cub Cadet LT3 PS107 13HT79DG603 (2019) Fahrantrieb, Hydrostat, Schalthebel Ersatzteile
SICHERUNGSSCHEIBE:0.62:E-62
Achtung: Dieser Artikel ist 2x im Gerät verbaut, der Preis gilt pro Stück!
Artikel Nummer:
716-0106A
BildNr:
23
Bemerkung:
Ø0.625
Modell BJ:
H 107 HK / 2018 GL 15,0-96 H / 2018 TG 15/96 HE / 2018 TG 19/107 H / 2018 TG 22/107 HBI / 2018 Optima LG 200 H / 2020 LT2 NS96 / 2019 LT2 NS96 / 2018 LT3 PS107 / 2018 Optima LG 165 H / 2018 Optima LG 165 H / 2018 Smart RF 130 H / 2018 DL 96 H / 2018 DL
3.02 €
für EU incl. MwSt., zzgl. Versand
Der Artikel wurde in den Einkaufswagen gelegt!
sofort Lieferbar
Hier finden Sie die Ersatzteilzeichnung für Cub Cadet Rasentraktoren LT3 PS107 13HT79DG603 (2019) Fahrantrieb, Hydrostat, Schalthebel. Wählen Sie das benötigte Ersatzteil aus der Ersatzteilliste Ihres Cub Cadet Gerätes aus und bestellen Sie einfach online. Viele Cub Cadet Ersatzteile halten wir ständig in unserem Lager für Sie bereit.


































