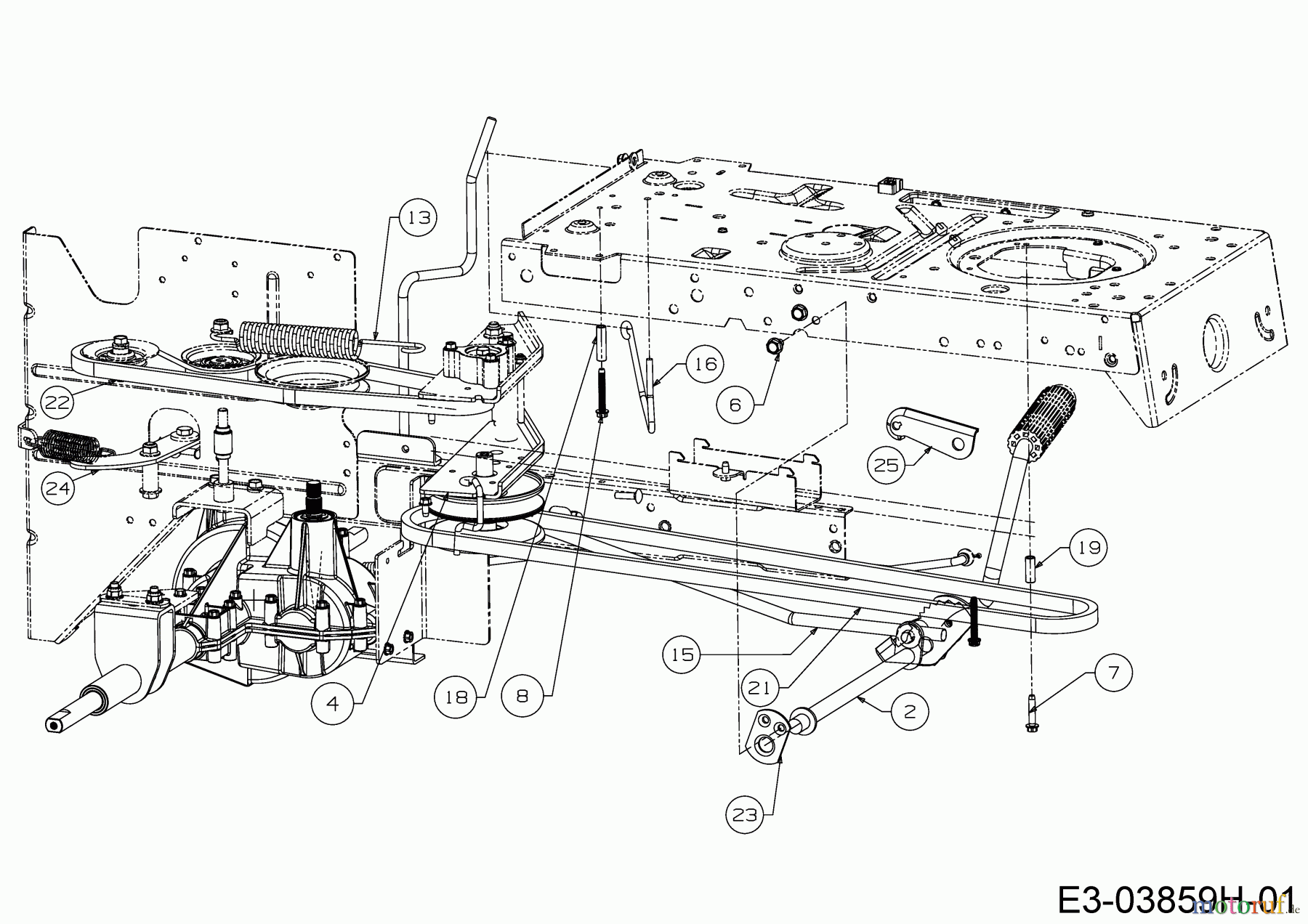
Cub Cadet LT1 NR92 13AB76DE603 (2020) Fahrantrieb, Pedal Ersatzteile
KEILRIEMEN:V TYPE:5Lx65.96 LG
Artikel Nummer:
754-04211
BildNr:
21
Modell BJ:
White Passion 76.125T / 2018 H 92 T / 2018 GL 12.5/76 T / 2018 GL 13.5/92 T / 2018 BL 125/92 T / 2018 115/92 B / 2018 BE 92 T / 2018 DL 920 T / 2018 DL 92 T / 2018 RT 165-92 HW / 2018 GE 140 / 2018 LT1 NR92 / 2018 92.130 T / 2018 MTD 76 / 2018 MTD 92 /
Outside length
1675,38 mm
1675,38 mm
103.58 €
für EU incl. MwSt., zzgl. Versand
Der Artikel wurde in den Einkaufswagen gelegt!
sofort Lieferbar
Hier finden Sie die Ersatzteilzeichnung für Cub Cadet Rasentraktoren LT1 NR92 13AB76DE603 (2020) Fahrantrieb, Pedal. Wählen Sie das benötigte Ersatzteil aus der Ersatzteilliste Ihres Cub Cadet Gerätes aus und bestellen Sie einfach online. Viele Cub Cadet Ersatzteile halten wir ständig in unserem Lager für Sie bereit.
Häufig benötigte Cub Cadet LT1 NR92 13AB76DE603 (2020) Fahrantrieb, Pedal Ersatzteile


Qualitätsmanagement
Informieren Sie uns, wenn Sie einen Fehler gefunden haben.




















