Wolf-Garten Expert 107.180 H 13BG93WG650 (2014) Mähwerk G (42"/107cm) Ersatzteile
KEILRIEMEN:V:A:96.5":ARAM:C2
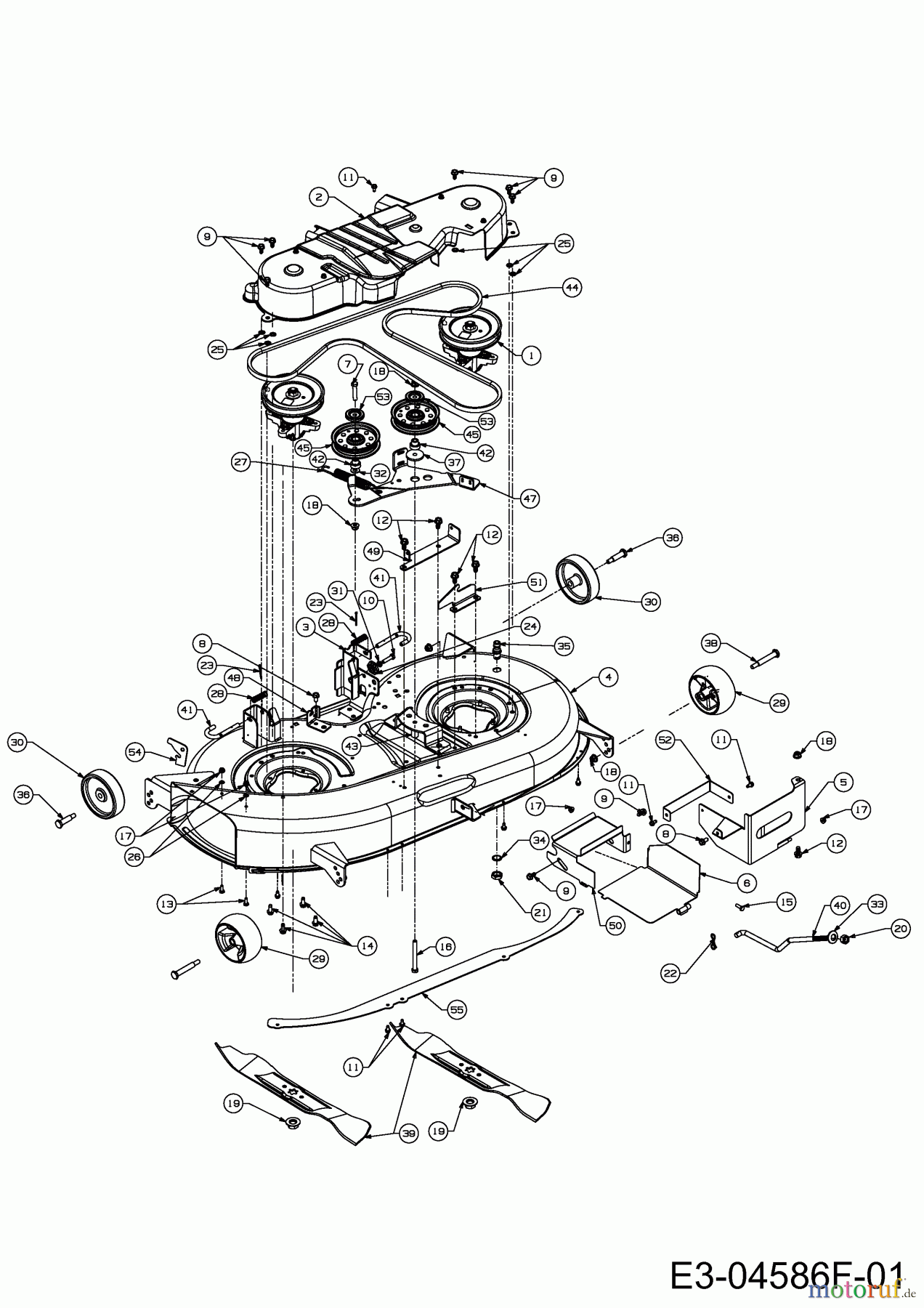
Artikel Nummer:
754-04060C
BildNr:
44
Bemerkung:
V-A 96.5"
Modell BJ:
CC 1016 KHG / 2014 CC 1016 KHG / 2014 MF 42-22 SD / 2014 Expert 107.180 H / 2014 Expert 107.180 H / 2014
Width 12,7 mm
Outside length 2451 mm
Outside length 2451 mm
74.26 €
für EU incl. MwSt., zzgl. Versand
Der Artikel wurde in den Einkaufswagen gelegt!
sofort Lieferbar
Hier finden Sie die Ersatzteilzeichnung für Wolf-Garten Rasentraktoren Expert 107.180 H 13BG93WG650 (2014) Mähwerk G (42"/107cm). Wählen Sie das benötigte Ersatzteil aus der Ersatzteilliste Ihres Wolf-Garten Gerätes aus und bestellen Sie einfach online. Viele Wolf-Garten Ersatzteile halten wir ständig in unserem Lager für Sie bereit.
Häufig benötigte Wolf-Garten Expert 107.180 H 13BG93WG650 (2014) Mähwerk G (42"/107cm) Ersatzteile

Artikelnummer: WL754-04060C
Suche nach: 754-04060C
Hersteller: Wolf
Wolf-Garten Ersatzteil Mähwerk G (42"/107cm)
Suche nach: 754-04060C
Hersteller: Wolf
Wolf-Garten Ersatzteil Mähwerk G (42"/107cm)
74.26 €
für EU incl. MwSt., zzgl. Versand


Qualitätsmanagement
Informieren Sie uns, wenn Sie einen Fehler gefunden haben.



































