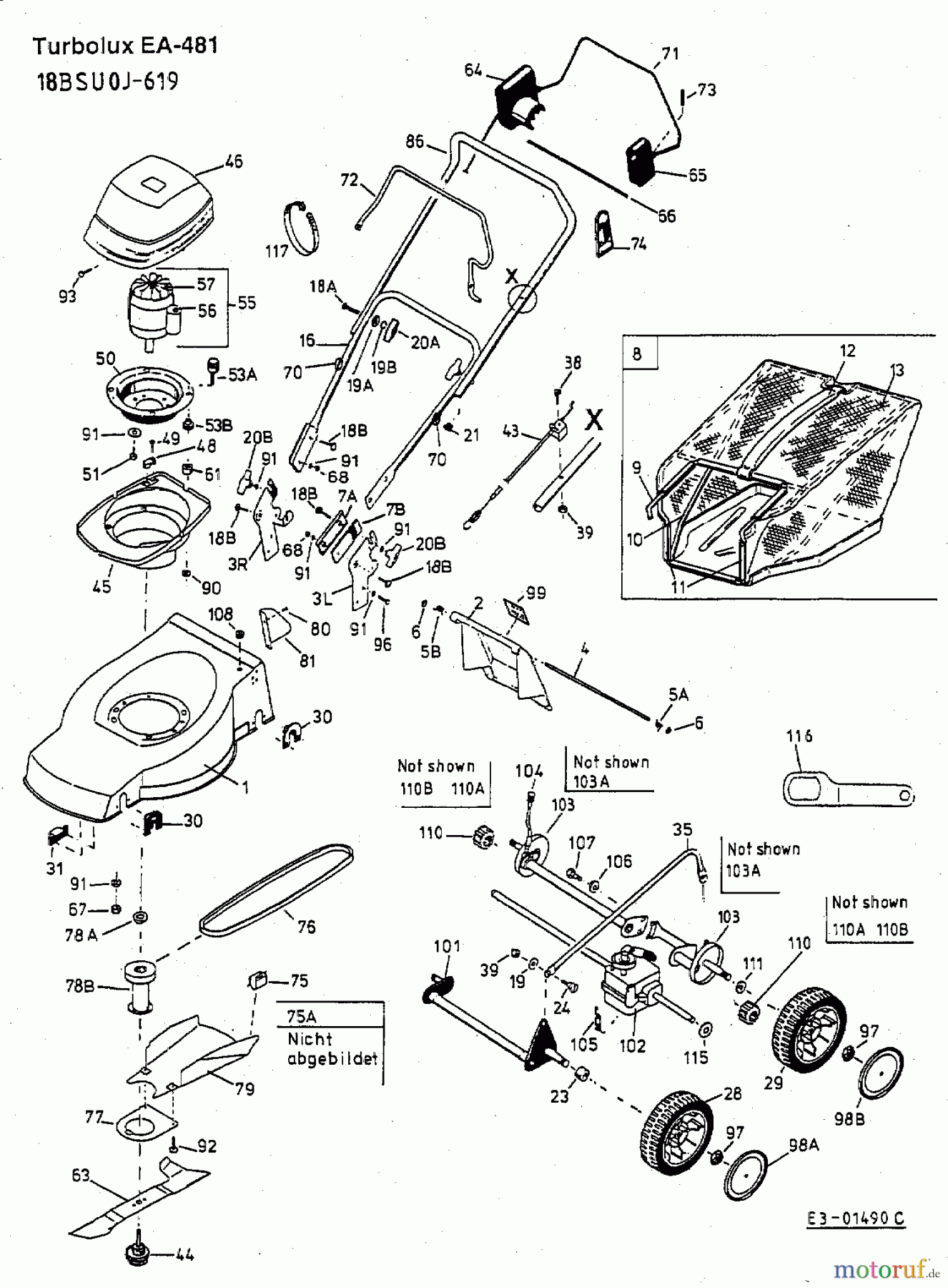
Fleurelle EA 481 18BSU0J-619 (2003) Ersatzteile
BOWDENZUG KUPPLUNG 10bK
Artikel Nummer:
100.000.981
BildNr:
43
DINNORM:
( SCHALTZUG )
Bemerkung:
10 bK
Modell BJ:
EA 481 / 2003
32.76 €
für EU incl. MwSt., zzgl. Versand
Der Artikel wurde in den Einkaufswagen gelegt!
Wird für Sie bestellt: Lieferzeit ca. 5 Werktage.
Hier finden Sie die Ersatzteilzeichnung für Fleurelle Elektromäher EA 481 18BSU0J-619 (2003) Grundgerät. Wählen Sie das benötigte Ersatzteil aus der Ersatzteilliste Ihres Fleurelle Gerätes aus und bestellen Sie einfach online. Viele Fleurelle Ersatzteile halten wir ständig in unserem Lager für Sie bereit.










