Fleurelle E 451 18B-T2H-619 (2003) Ersatzteile
SCHALTER ZU BÜGEL-SSK -LT-
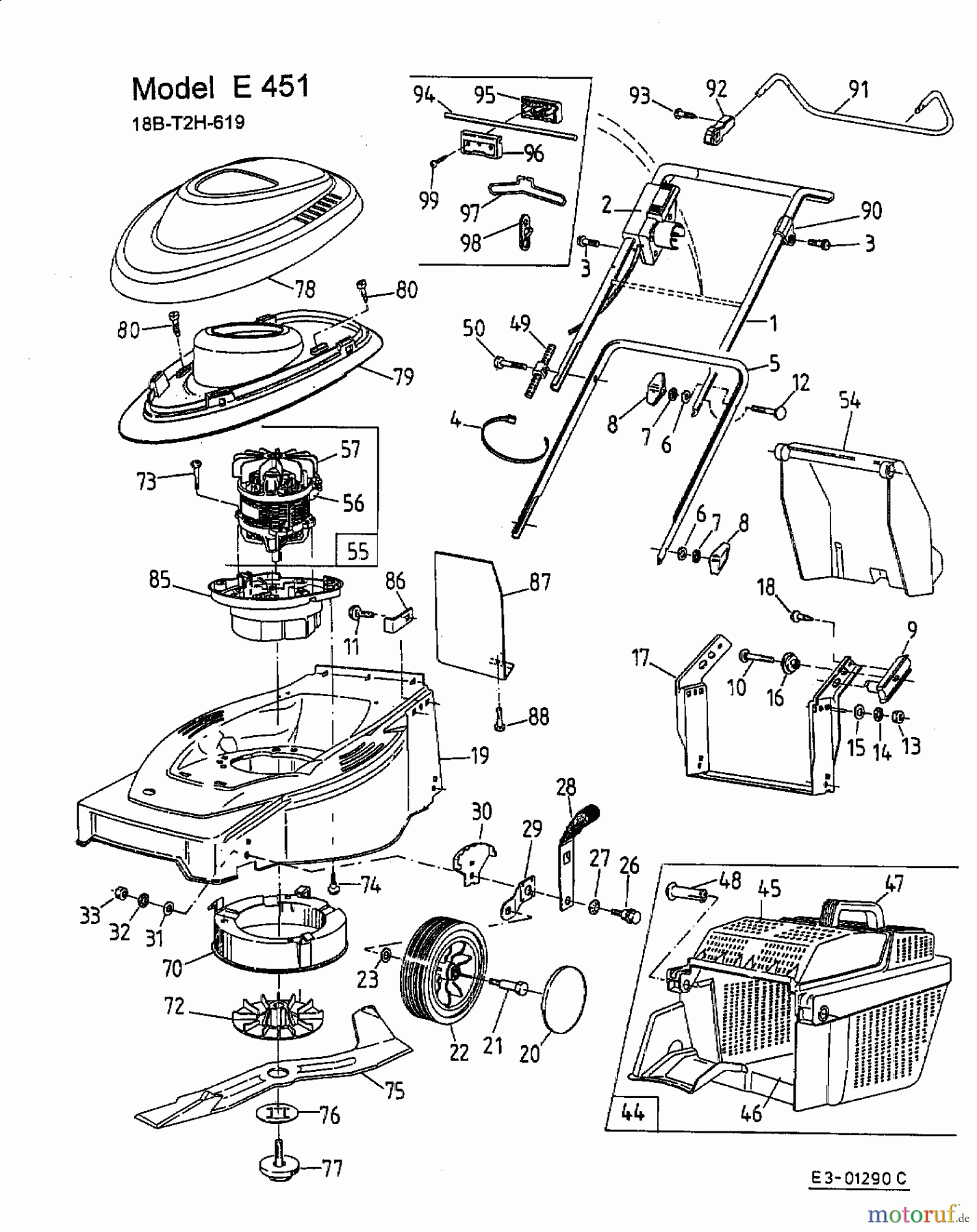
Artikel Nummer:
725-1908
BildNr:
2
DINNORM:
L1=1440 mm
Modell BJ:
E 451 / 2001 E 451 / 2002 E 451 / 2003
46.81 €
für EU incl. MwSt., zzgl. Versand
Der Artikel wurde in den Einkaufswagen gelegt!
Wird für Sie bestellt: Lieferzeit ca. 5 bis 14 Werktage.
Hier finden Sie die Ersatzteilzeichnung für Fleurelle Elektromäher E 451 18B-T2H-619 (2003) Grundgerät. Wählen Sie das benötigte Ersatzteil aus der Ersatzteilliste Ihres Fleurelle Gerätes aus und bestellen Sie einfach online. Viele Fleurelle Ersatzteile halten wir ständig in unserem Lager für Sie bereit.


Qualitätsmanagement
Informieren Sie uns, wenn Sie einen Fehler gefunden haben.













