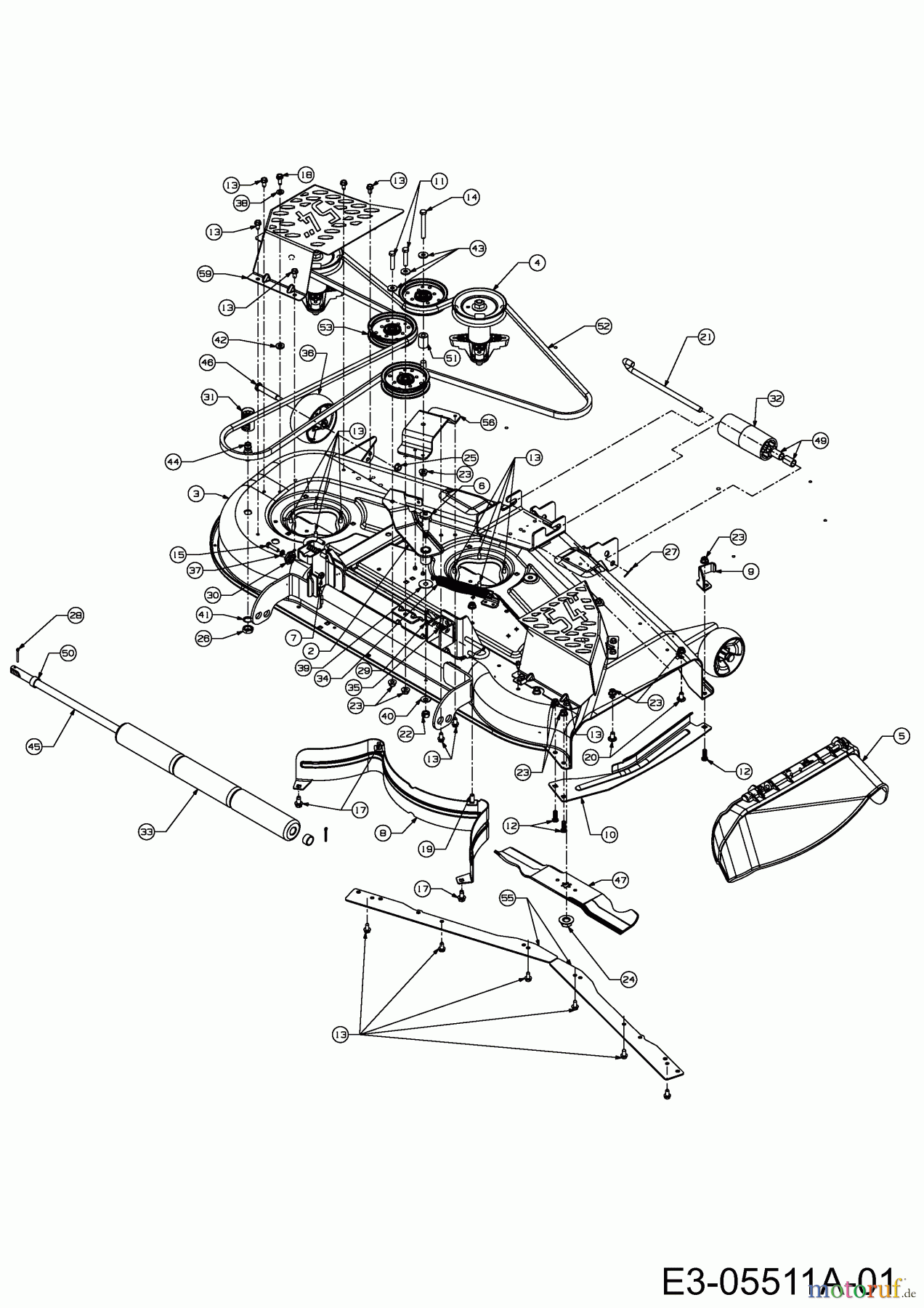
Cub Cadet RZT 54 17AI2ACK603 (2010) Mähwerk K (54"/137cm) Ersatzteile
SPINDEL VOLLST:5.39
Achtung: Dieser Artikel ist 3x im Gerät verbaut, der Preis gilt pro Stück!
Artikel Nummer:
618-04608A
BildNr:
4
DINNORM:
618-04608A
Modell BJ:
RZT 54 / 2010
171.61 €
für EU incl. MwSt., zzgl. Versand
Der Artikel wurde in den Einkaufswagen gelegt!
Wird für Sie bestellt: Lieferzeit ca. 5 Werktage.
Hier finden Sie die Ersatzteilzeichnung für Cub Cadet Zero Turn RZT 54 17AI2ACK603 (2010) Mähwerk K (54"/137cm). Wählen Sie das benötigte Ersatzteil aus der Ersatzteilliste Ihres Cub Cadet Gerätes aus und bestellen Sie einfach online. Viele Cub Cadet Ersatzteile halten wir ständig in unserem Lager für Sie bereit.
Häufig benötigte Cub Cadet RZT 54 17AI2ACK603 (2010) Mähwerk K (54"/137cm) Ersatzteile


Qualitätsmanagement
Informieren Sie uns, wenn Sie einen Fehler gefunden haben.

































