Cub Cadet All Rounder 1050 17AI9BKP603 (2013) Mähwerk P (50"/127cm) Ersatzteile
KEILRIEMEN:V TYPE:A x 131.28"
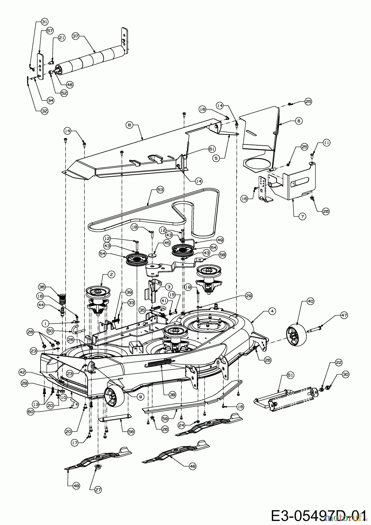
Artikel Nummer:
754-04164
BildNr:
53
DINNORM:
FINISH:
Bemerkung:
V TYPE A X 131.28"
Modell BJ:
All Rounder 1050 / 2013 MF 50-24 IZ / 2013
104.00 €
für EU incl. MwSt., zzgl. Versand
Der Artikel wurde in den Einkaufswagen gelegt!
sofort Lieferbar
Hier finden Sie die Ersatzteilzeichnung für Cub Cadet Zero Turn All Rounder 1050 17AI9BKP603 (2013) Mähwerk P (50"/127cm). Wählen Sie das benötigte Ersatzteil aus der Ersatzteilliste Ihres Cub Cadet Gerätes aus und bestellen Sie einfach online. Viele Cub Cadet Ersatzteile halten wir ständig in unserem Lager für Sie bereit.


Qualitätsmanagement
Informieren Sie uns, wenn Sie einen Fehler gefunden haben.








































