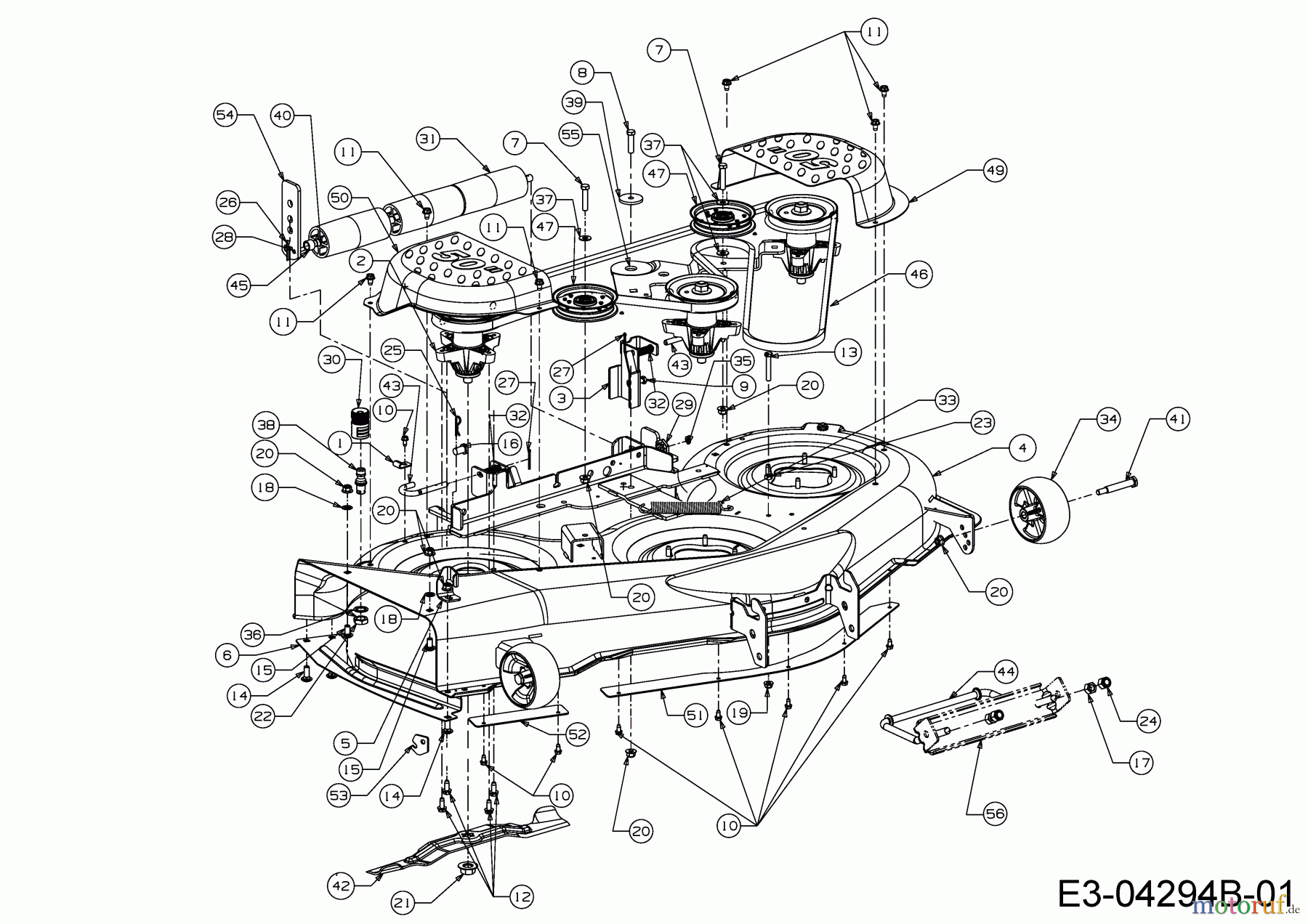
Cub Cadet All Rounder 1050 17AF9BKP603R (2009) Mähwerk P (50"/127cm) ab 30.03.2009 Ersatzteile
DECKRAD:5.0 DIA:BALLFÖRMIG
Achtung: Dieser Artikel ist 2x im Gerät verbaut, der Preis gilt pro Stück!
Artikel Nummer:
734-04155
BildNr:
35
DINNORM:
FINISH:SIEHE ZG
Bemerkung:
5.0 DIA BALL
Modell BJ:
All Rounder 1050 / 2009
16.85 €
für EU incl. MwSt., zzgl. Versand
Der Artikel wurde in den Einkaufswagen gelegt!
sofort Lieferbar
Hier finden Sie die Ersatzteilzeichnung für Cub Cadet Zero Turn All Rounder 1050 17AF9BKP603R (2009) Mähwerk P (50"/127cm) ab 30.03.2009. Wählen Sie das benötigte Ersatzteil aus der Ersatzteilliste Ihres Cub Cadet Gerätes aus und bestellen Sie einfach online. Viele Cub Cadet Ersatzteile halten wir ständig in unserem Lager für Sie bereit.
Häufig benötigte Cub Cadet All Rounder 1050 17AF9BKP603R (2009) Mähwerk P (50"/127cm) ab 30.03.2009 Ersatzteile

Artikelnummer: 734-04155
Suche nach: 734-04155
Hersteller: MTD
Cub Cadet Ersatzteil Mähwerk P (50"/127cm) ab 30.03.2009
Suche nach: 734-04155
Hersteller: MTD
Cub Cadet Ersatzteil Mähwerk P (50"/127cm) ab 30.03.2009
16.85 €
für EU incl. MwSt., zzgl. Versand


Qualitätsmanagement
Informieren Sie uns, wenn Sie einen Fehler gefunden haben.


































