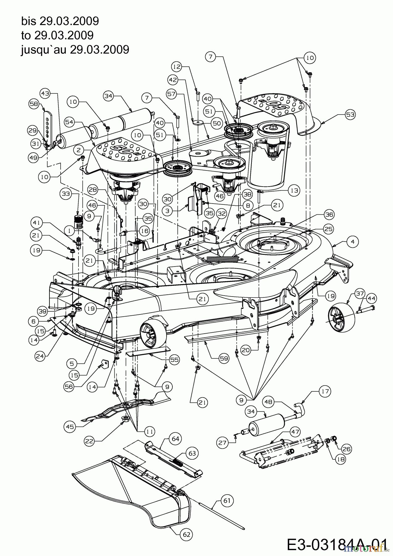
Cub Cadet All Rounder 1050 17AH9BKP603 (2007) Mähwerk P (50"/127cm) Ersatzteile
KEILRIEMEN:VTYPE:BSECx134:ARAM
Artikel Nummer:
754-04077
BildNr:
50
DINNORM:
954-04077 * ARAMID
Modell BJ:
All Rounder 1050 / 2007 All Rounder 1050 / 2007 All Rounder 1050 / 2009 All Rounder 1050 / 2009
102.96 €
für EU incl. MwSt., zzgl. Versand
Der Artikel wurde in den Einkaufswagen gelegt!
Wird für Sie bestellt: Lieferzeit ca. 5 bis 14 Werktage.
Hier finden Sie die Ersatzteilzeichnung für Cub Cadet Zero Turn All Rounder 1050 17AH9BKP603 (2007) Mähwerk P (50"/127cm). Wählen Sie das benötigte Ersatzteil aus der Ersatzteilliste Ihres Cub Cadet Gerätes aus und bestellen Sie einfach online. Viele Cub Cadet Ersatzteile halten wir ständig in unserem Lager für Sie bereit.


Qualitätsmanagement
Informieren Sie uns, wenn Sie einen Fehler gefunden haben.



































