Cub Cadet 4x4 Cubstyle 37AK466D603 (2011) Bowdenzüge, Bremspedal, Bremsschläuche, Handbremshebel Ersatzteile
DISTANZSTÜCK
Achtung: Dieser Artikel ist 3x im Gerät verbaut, der Preis gilt pro Stück!
Artikel Nummer:
750-04500
BildNr:
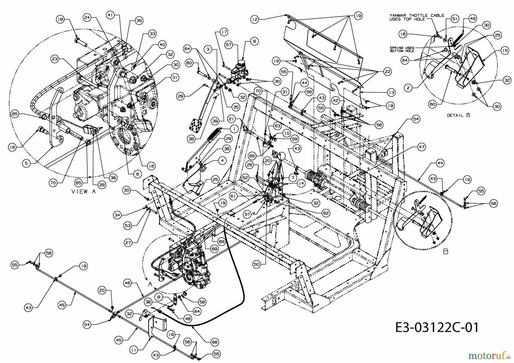
70
DINNORM:
750-04500
Modell BJ:
4x4 Cubstyle / 2011 4x4 Camostyle / 2011
40.04 €
für EU incl. MwSt., zzgl. Versand
Der Artikel wurde in den Einkaufswagen gelegt!
Wird für Sie bestellt: Lieferzeit ca. 5 bis 14 Werktage.
Hier finden Sie die Ersatzteilzeichnung für Cub Cadet Utility Vehicle 4x4 Cubstyle 37AK466D603 (2011) Bowdenzüge, Bremspedal, Bremsschläuche, Handbremshebel. Wählen Sie das benötigte Ersatzteil aus der Ersatzteilliste Ihres Cub Cadet Gerätes aus und bestellen Sie einfach online. Viele Cub Cadet Ersatzteile halten wir ständig in unserem Lager für Sie bereit.


Qualitätsmanagement
Informieren Sie uns, wenn Sie einen Fehler gefunden haben.




















