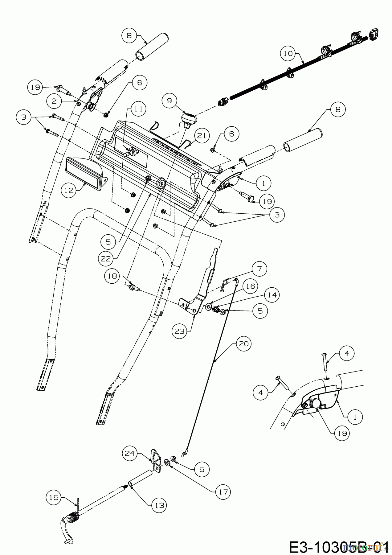
MTD SMART ME 61 31BW6BF2678 (2020) Armaturenbrett Ersatzteile
BOLZEN:SHLDR:5/16-18x0.905:
Artikel Nummer:
738-04118
BildNr:
18
Bemerkung:
5/16-18x0.905
Modell BJ:
ME 61 / 2019 SF 61 E / 2019 SF 61 E / 2019 ME 61 / 2019 SF 61 E / 2020 SMART ME 61 / 2020
4.89 €
für EU incl. MwSt., zzgl. Versand
Der Artikel wurde in den Einkaufswagen gelegt!
Wird für Sie bestellt: Lieferzeit ca. 5 bis 14 Werktage.
Hier finden Sie die Ersatzteilzeichnung für MTD Schneefräsen SMART ME 61 31BW6BF2678 (2020) Armaturenbrett. Wählen Sie das benötigte Ersatzteil aus der Ersatzteilliste Ihres MTD Gerätes aus und bestellen Sie einfach online. Viele MTD Ersatzteile halten wir ständig in unserem Lager für Sie bereit.


Qualitätsmanagement
Informieren Sie uns, wenn Sie einen Fehler gefunden haben.






