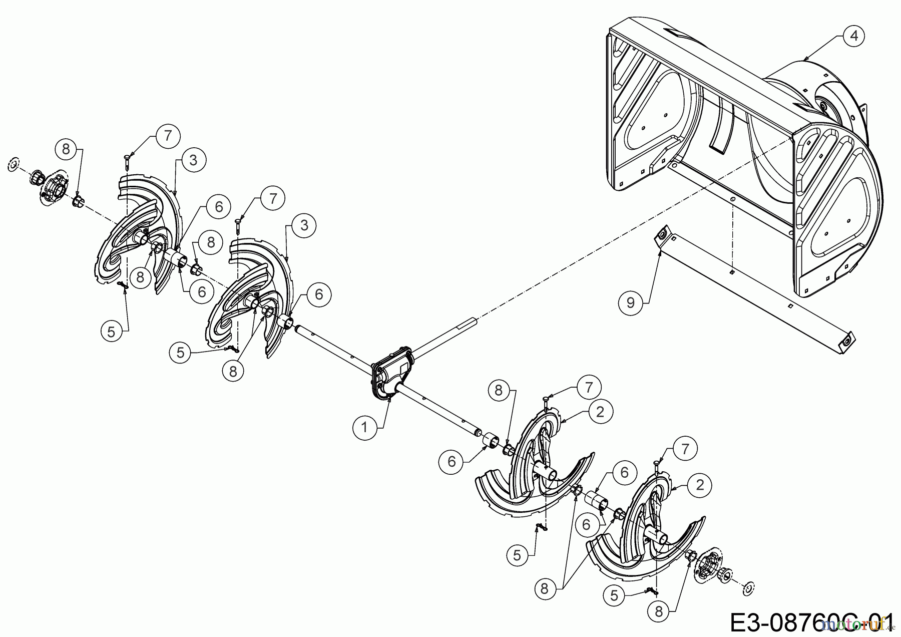
MTD Optima ME 66 T 31BY7FT3678 (2020) Fräsgehäuse, Schnecke, Schneckenantrieb Ersatzteile
FEDERSTECKER:1/4" - 3/8"
Achtung: Dieser Artikel ist 4x im Gerät verbaut, der Preis gilt pro Stück!
Artikel Nummer:
714-04040
BildNr:
5
Bemerkung:
72
Modell BJ:
Optima ME 66 / 2020 Optima ME 66 / 2020 Optima ME 66 T / 2020 Optima ME 66 / 2021 Optima ME 66 T / 2021
2.50 €
für EU incl. MwSt., zzgl. Versand
Der Artikel wurde in den Einkaufswagen gelegt!


Hier finden Sie die Ersatzteilzeichnung für MTD Schneefräsen Optima ME 66 T 31BY7FT3678 (2020) Fräsgehäuse, Schnecke, Schneckenantrieb. Wählen Sie das benötigte Ersatzteil aus der Ersatzteilliste Ihres MTD Gerätes aus und bestellen Sie einfach online. Viele MTD Ersatzteile halten wir ständig in unserem Lager für Sie bereit.
Häufig benötigte MTD Optima ME 66 T 31BY7FT3678 (2020) Fräsgehäuse, Schnecke, Schneckenantrieb Ersatzteile

Artikelnummer: 714-04040
Suche nach: 714-04040
Hersteller: MTD
MTD Ersatzteil Fräsgehäuse, Schnecke, Schneckenantrieb
Suche nach: 714-04040
Hersteller: MTD
MTD Ersatzteil Fräsgehäuse, Schnecke, Schneckenantrieb
2.50 €
für EU incl. MwSt., zzgl. Versand

Artikelnummer: 738-04124A
Suche nach: 738-04124A
Hersteller: MTD
MTD Ersatzteil Fräsgehäuse, Schnecke, Schneckenantrieb
Suche nach: 738-04124A
Hersteller: MTD
MTD Ersatzteil Fräsgehäuse, Schnecke, Schneckenantrieb
5.82 €
für EU incl. MwSt., zzgl. Versand