MTD 1033 41AD7UXB678 (2020) Ersatzteile
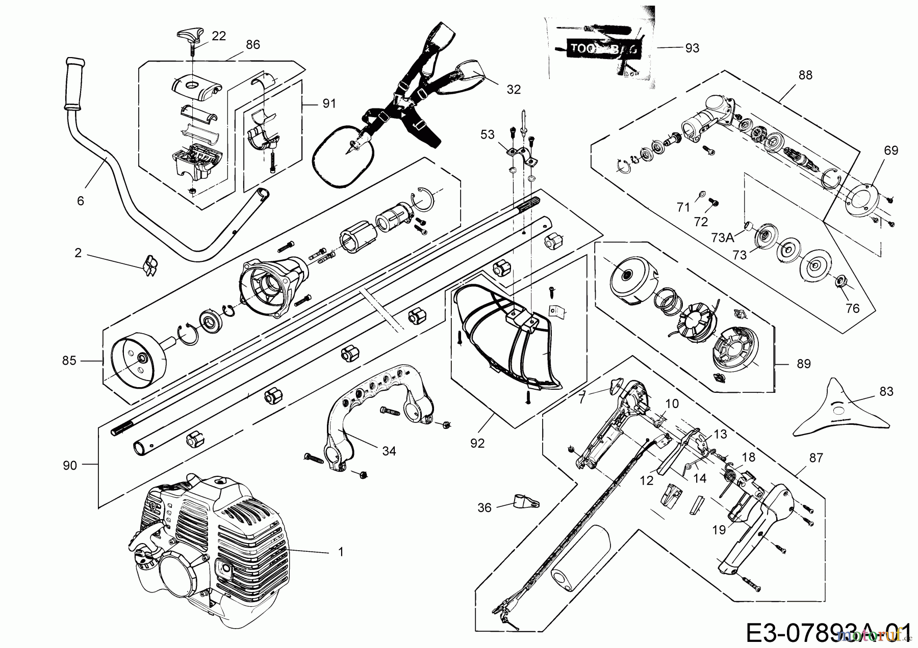
FADENKOPF KPL.
Artikel Nummer:
092.63.029
BildNr:
89
Bemerkung:
GC305-48180
Modell BJ:
1033 / 2013 1033 / 2014 1033 / 2015 1033 / 2017 1033 / 2018 1033 / 2019 1033 / 2020 1033 / 2016
27.35 €
für EU incl. MwSt., zzgl. Versand
Der Artikel wurde in den Einkaufswagen gelegt!
Wird für Sie bestellt: Lieferzeit ca. 5 bis 14 Werktage.
Hier finden Sie die Ersatzteilzeichnung für MTD Motorsensen 1033 41AD7UXB678 (2020) Grundgerät. Wählen Sie das benötigte Ersatzteil aus der Ersatzteilliste Ihres MTD Gerätes aus und bestellen Sie einfach online. Viele MTD Ersatzteile halten wir ständig in unserem Lager für Sie bereit.
Häufig benötigte MTD 1033 41AD7UXB678 (2020) Ersatzteile

Artikelnummer: 092.63.029
Suche nach: 092.63.029
Hersteller: MTD
MTD Ersatzteil 41AD7UXB678 (2020)
Suche nach: 092.63.029
Hersteller: MTD
MTD Ersatzteil 41AD7UXB678 (2020)
27.35 €
für EU incl. MwSt., zzgl. Versand


Qualitätsmanagement
Informieren Sie uns, wenn Sie einen Fehler gefunden haben.





