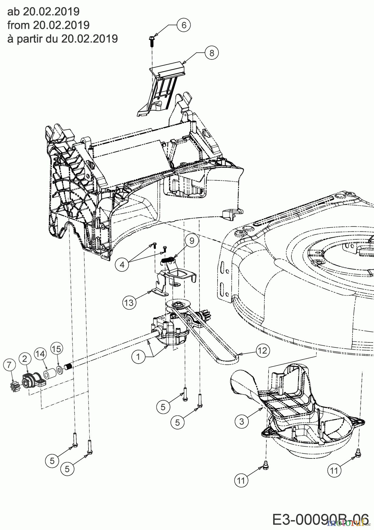
MTD SP 53 HWBS 12B-PF7B600 (2019) Getriebe, Keilriemen ab 20.02.2019 Ersatzteile
GETRIEBE VOLLST:SP:SS:53cm
Artikel Nummer:
618-08013
BildNr:
1
Modell BJ:
Optima 53 SPHHW / 2019 SP 53 HWBS / 2019
145.70 €
für EU incl. MwSt., zzgl. Versand
Der Artikel wurde in den Einkaufswagen gelegt!
Wird für Sie bestellt: Lieferzeit ca. 5 bis 14 Werktage.
Hier finden Sie die Ersatzteilzeichnung für MTD Motormäher mit Antrieb SP 53 HWBS 12B-PF7B600 (2019) Getriebe, Keilriemen ab 20.02.2019. Wählen Sie das benötigte Ersatzteil aus der Ersatzteilliste Ihres MTD Gerätes aus und bestellen Sie einfach online. Viele MTD Ersatzteile halten wir ständig in unserem Lager für Sie bereit.


Qualitätsmanagement
Informieren Sie uns, wenn Sie einen Fehler gefunden haben.









