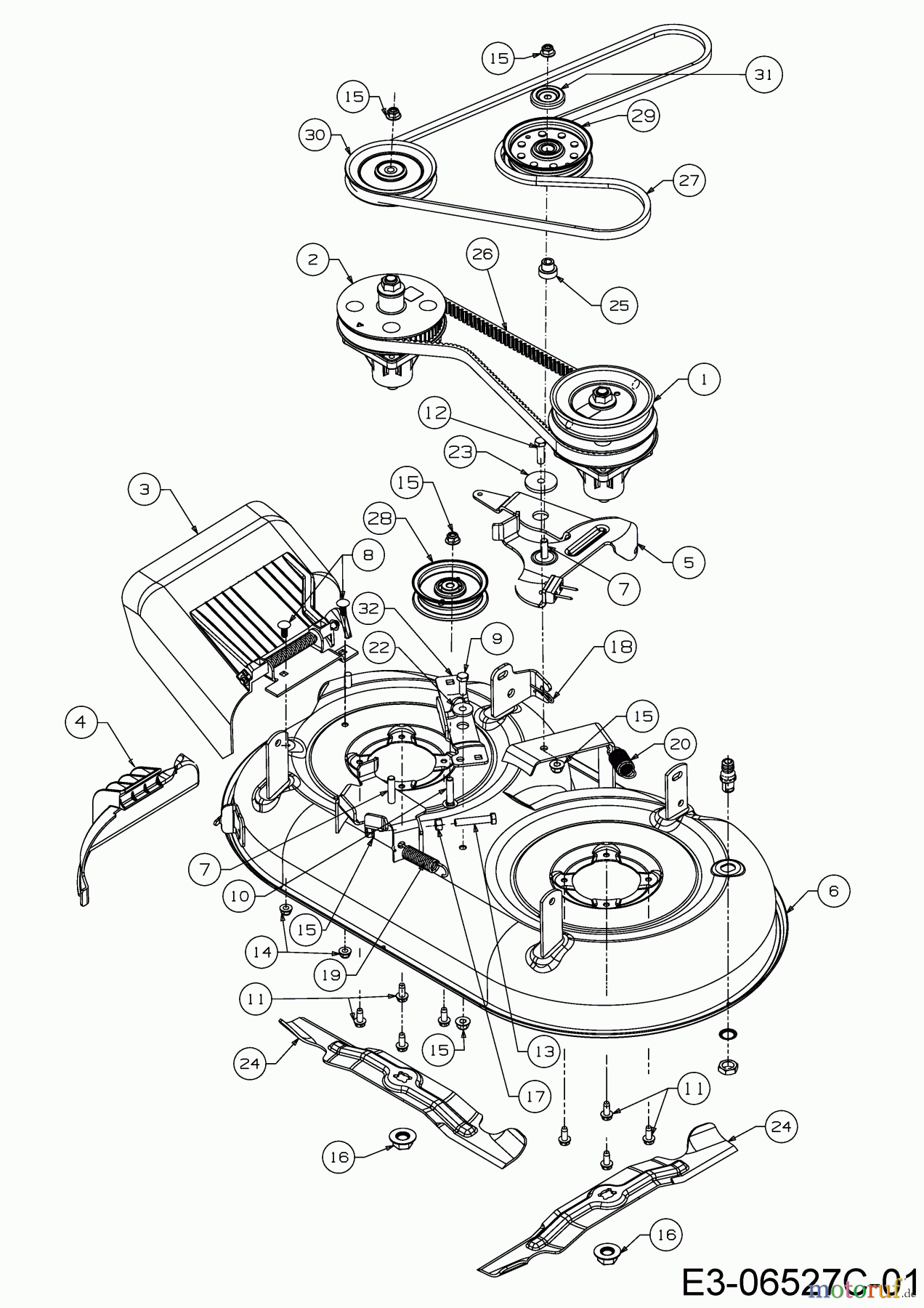
MTD WCM 84 E 12AE76SM678 (2019) Mähwerk Ersatzteile
MESSER:45cm:2-IN-1
Achtung: Dieser Artikel ist 2x im Gerät verbaut, der Preis gilt pro Stück!
Artikel Nummer:
742-04154A
BildNr:
24
Modell BJ:
WCM 84 E / 2019 WCM 84 E / 2020 XM3 KR84ES / 2019 Wide Cut E / 2015 WCM 84 E / 2016 WCM 84 / 2015 Wide Cut E / 2016 WCM 84 E / 2017 Wide Cut E / 2017 WCM 84 E / 2018 XM3 KR84ES / 2020
40.25 €
für EU incl. MwSt., zzgl. Versand
Der Artikel wurde in den Einkaufswagen gelegt!
sofort Lieferbar
Hier finden Sie die Ersatzteilzeichnung für MTD Motormäher mit Antrieb WCM 84 E 12AE76SM678 (2019) Mähwerk. Wählen Sie das benötigte Ersatzteil aus der Ersatzteilliste Ihres MTD Gerätes aus und bestellen Sie einfach online. Viele MTD Ersatzteile halten wir ständig in unserem Lager für Sie bereit.
Häufig benötigte MTD WCM 84 E 12AE76SM678 (2019) Mähwerk Ersatzteile


Qualitätsmanagement
Informieren Sie uns, wenn Sie einen Fehler gefunden haben.





















